EasyManua.ls Logo

auna DigiPlug FM - Page 6

auna DigiPlug FM
Print Icon
To Next Page IconTo Next Page
To Next Page IconTo Next Page
To Previous Page IconTo Previous Page
To Previous Page IconTo Previous Page
Loading...
6
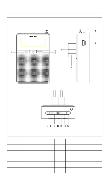
GERÄTEÜBERSICHT
1 Lautstärke - 7 Power/Standby
2 Lautstärke + 8 Mode (Modus)
3 Enter/Info 9 Menu (Menü)
4 Teleskopantenne 10 Schlafen / Schlummern
5 USB-Ladeanschluss 11 Zurück
6 Stecker 12 Vor

Related product manuals