EasyManua.ls Logo

AUSA CH 250 - Electric Circuits

AUSA CH 250
51 pages
Print Icon
To Next Page IconTo Next Page
To Next Page IconTo Next Page
To Previous Page IconTo Previous Page
To Previous Page IconTo Previous Page
Loading...
37
CH 200 / CH 250
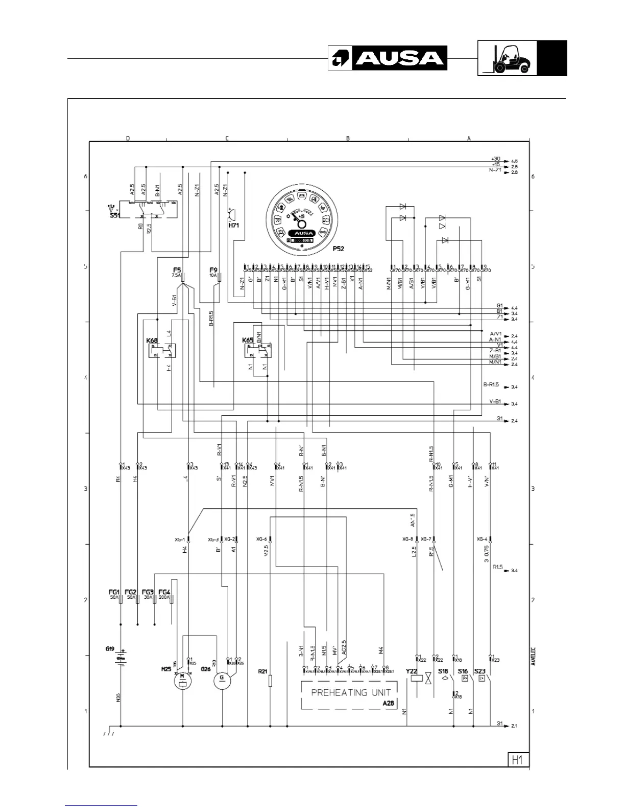
Electric circuit CH200 1

Other manuals for AUSA CH 250

Related product manuals