EasyManua.ls Logo

Automated Logic U141v+ - Page 12

Automated Logic U141v+
12 pages
Print Icon
To Previous Page IconTo Previous Page
To Previous Page IconTo Previous Page
Loading...
Revised 8/14/02 • U141v+ 12 © 2002 Automated Logic Corporation
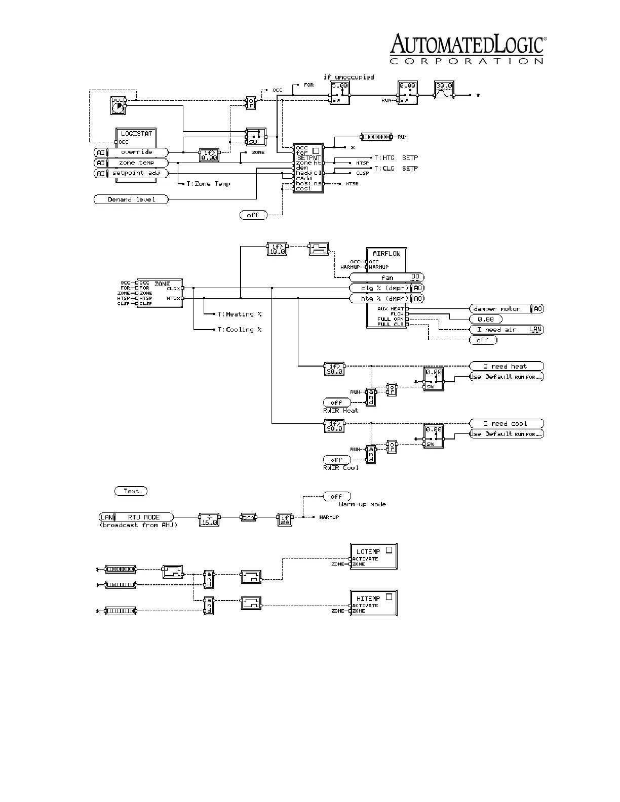
Figure 14. Sample GFB for the U141v+