EasyManua.ls Logo

Autotrol Logix 740 - Wiring Harnesses

Autotrol Logix 740
67 pages
To Next Page IconTo Next Page
To Next Page IconTo Next Page
To Previous Page IconTo Previous Page
To Previous Page IconTo Previous Page
Loading...
50 VALVE SERVICE
Rev A
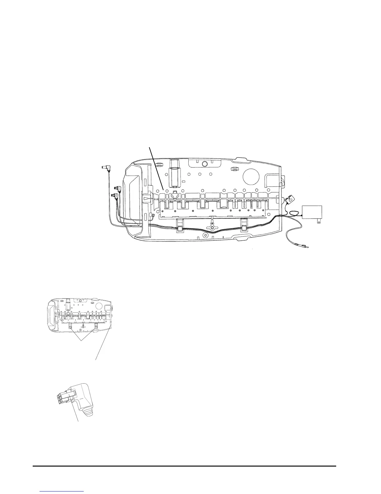
Wiring Harnesses
The wiring harnesses are designed to fit one way. The connectors are
unique to the port they plug into. The wires are held in place by clips and
the connectors latch in place.
Figure 18 - Wire Harness
Routing
To remove a wiring harnesses:
1. Disconnect power to the unit.
2. Remove cover.
3. Remove controller.
4. Remove connections by squeezing the latch on the connector and
pulling out.
5. Pull the harness out of the clips on the top plate.
Do not run wires through holes in topplate.
Turbine
Wire Clips
Slots for Motor
and Turbine Harness
Latch

Related product manuals