EasyManua.ls Logo

Avalue Technology EMX-CDD - Product Overview

Avalue Technology EMX-CDD
20 pages
Print Icon
To Next Page IconTo Next Page
To Next Page IconTo Next Page
To Previous Page IconTo Previous Page
To Previous Page IconTo Previous Page
Loading...
EMX-CDD Quick Installation Guide
EMX-CDD Quick Installation Guide 5
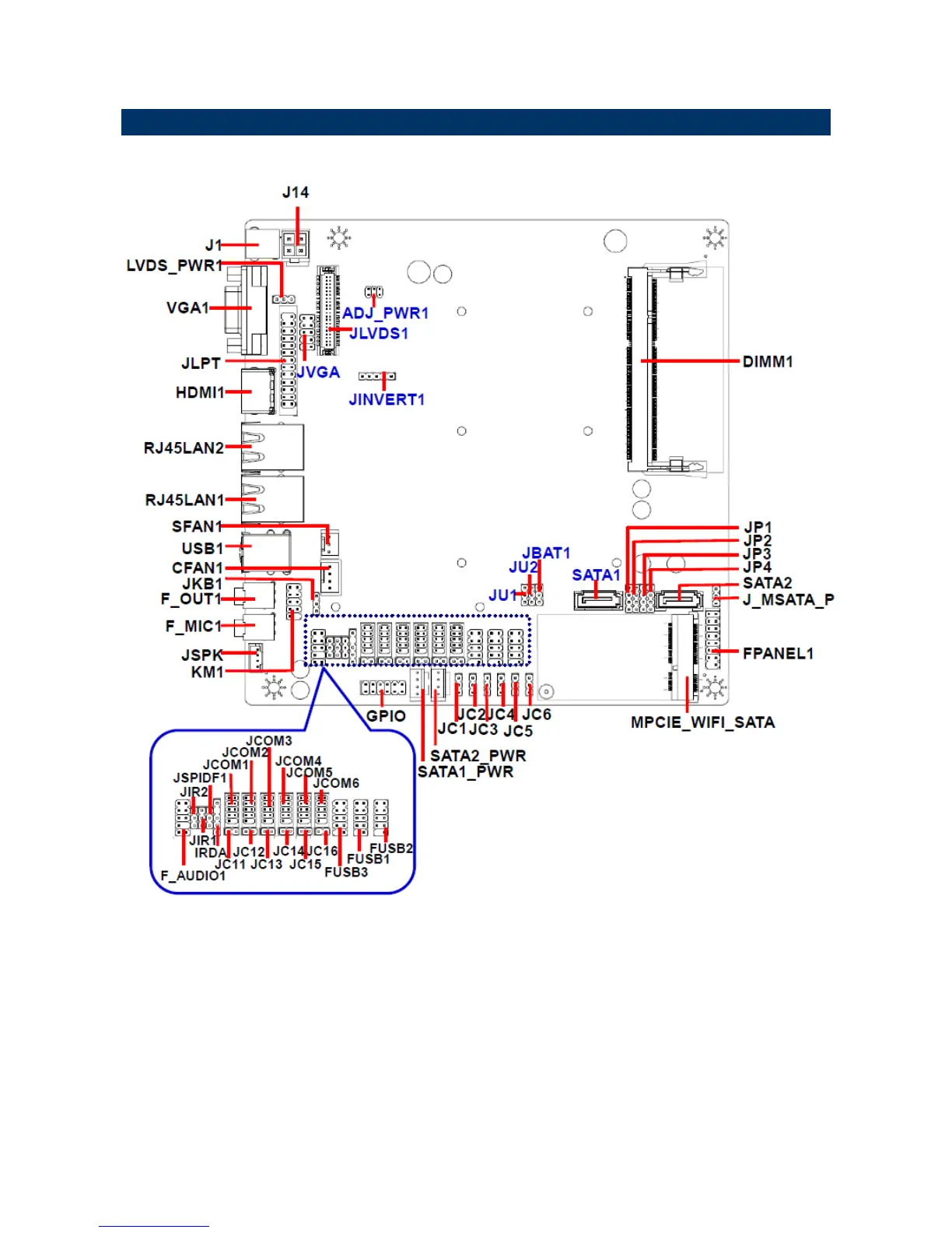
2.1 Product Overview

Other manuals for Avalue Technology EMX-CDD

Related product manuals