EasyManua.ls Logo

Avanti ER2402CSS - Service and Wiring Information; Avanti Products Customer Service Contacts; Appliance Wiring Diagram

Avanti ER2402CSS
40 pages
Print Icon
To Next Page IconTo Next Page
To Next Page IconTo Next Page
To Previous Page IconTo Previous Page
To Previous Page IconTo Previous Page
Loading...
26
SERVICE FOR YOUR WINE CHILLER
We are proud of our customer service organization and the network of professional service
technicians that provide service on your Avanti appliances. With the purchase of your Avanti
appliance, you can have the confidence that if you ever need additional information or assistance, the
Avanti Products Customer Service team will be here for you. Just call us toll-free.
AVANTI PRODUCTS CUSTOMER SERVICES
Product Information
800-323-5029
Whatever your questions are about our products,
help is available.
Part Orders
800-220-5570
You may order parts and accessories that will be
delivered directly to your home by personal
check, money order, Master Card, or Visa.
In-Home Repair Service
800-220-5570
An Avanti Products authorized service center will
provide expert repair service, scheduled at a time
that is convenient for you. Our trained servicers
know your appliance inside and out.
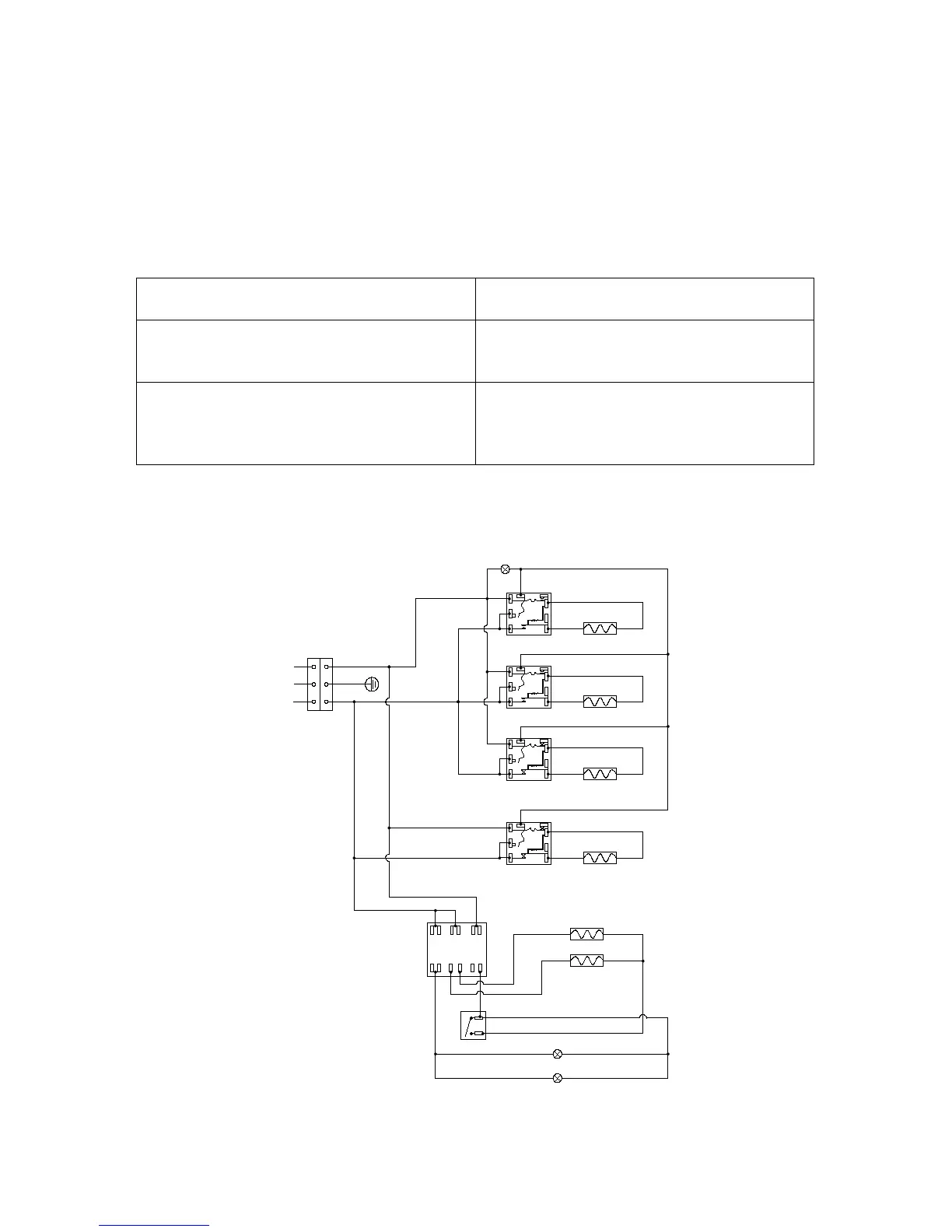
WIRING DIAGRAM
240V/60Hz
BL
WH
RED
BK
L2
L1
E
H1
H2
P2
L2
P1
L1
P3
5
P1 P2
2 1 3
4
THERMOSTAT
240V/2200W
240V/2000W
OVEN HEATER
POWER SWITCH
FUNCTION
SWITCH
OVEN LIGHT
INDICATING LIGHT
OVEN HEATER
BURNER 1
240V/1250W
POWER SWITCH
POWER SWITCH
POWER SWITCH
GR
INDICATING LIGHT
L2
L1
E
BURNER 2
240V/1250W
240V/1250W
BURNER 3
BURNER 4
240V/2100W
TERMINAL BLOCK
L1
P1
L2
P2
H2
H1
L1
P1
L2
P2
H2
H1
H1
H2
P2
L2
P1
L1
WH
WH
RED
WH
BK
BL
RED
RED
WH
WH
WH
WH
RED
BK
RED
RED
RED
RED
RED
WH
RED
RED
RED
RED
WH
WH
WH

Related product manuals