EasyManua.ls Logo

Avery Dennison ALS 221 - Page 26

Avery Dennison ALS 221
34 pages
Print Icon
To Next Page IconTo Next Page
To Next Page IconTo Next Page
To Previous Page IconTo Previous Page
To Previous Page IconTo Previous Page
Loading...
Operators Manual
ALS 221
Release 7/04 Page 26 Connections
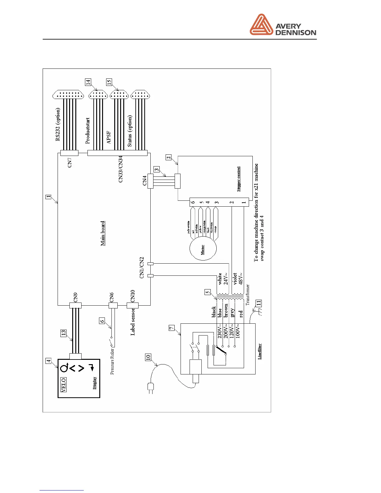
Figure 13 Wiring diagram

Related product manuals