EasyManua.ls Logo

Avery Dennison ALS 221 - Page 27

Avery Dennison ALS 221
34 pages
Print Icon
To Next Page IconTo Next Page
To Next Page IconTo Next Page
To Previous Page IconTo Previous Page
To Previous Page IconTo Previous Page
Loading...
Operators Manual
ALS 221
Release 7/04 Page 27 Connections
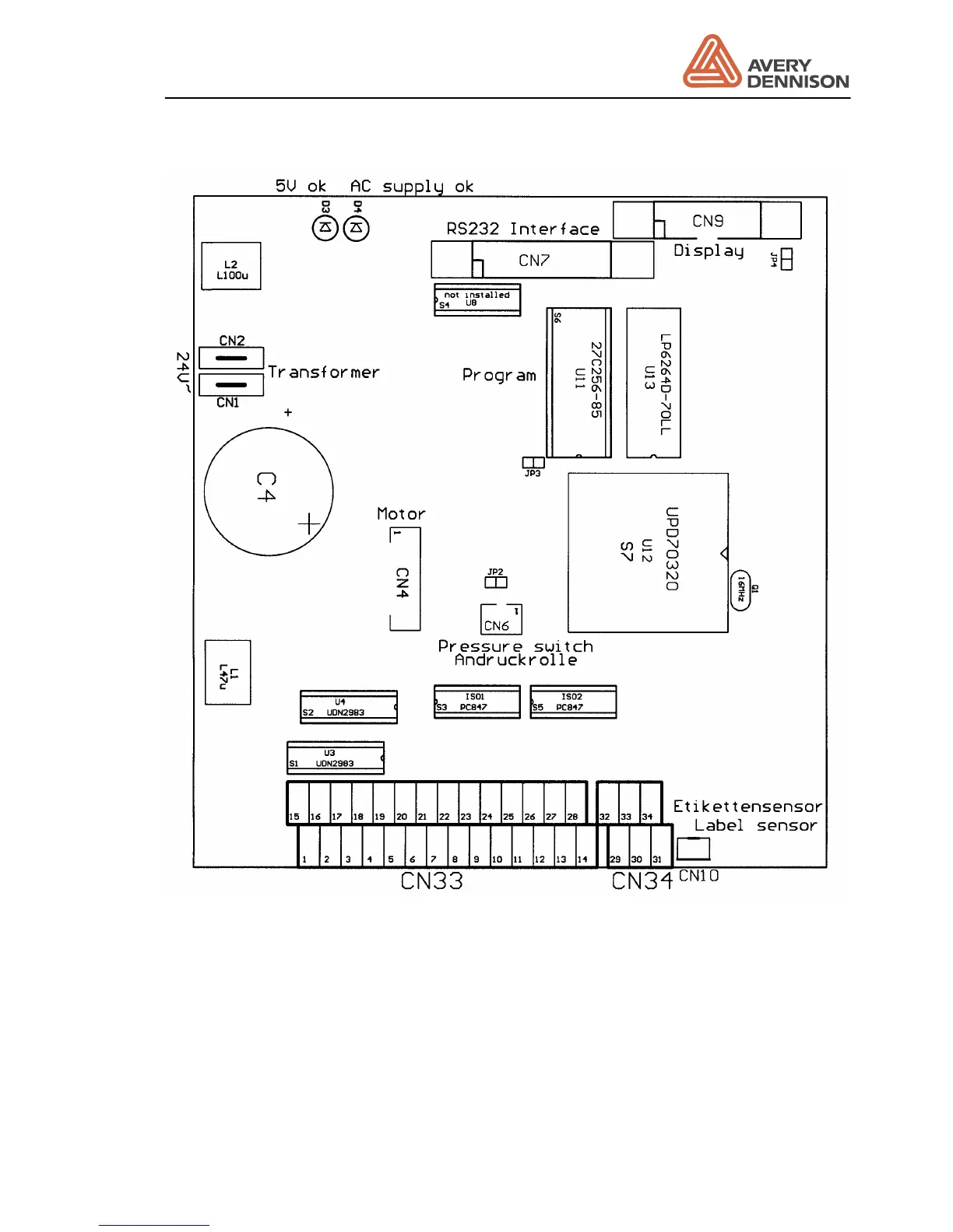
Figure 14 Layout dispenser electronic board

Related product manuals