EasyManua.ls Logo

AXIL rt0420t2 - 4 Instalación; Colocar el Receptor; Conectar Los Cables

AXIL rt0420t2
Print Icon
To Next Page IconTo Next Page
To Next Page IconTo Next Page
To Previous Page IconTo Previous Page
To Previous Page IconTo Previous Page
Loading...
8
4. INSTALACIÓN
La imagen es solo como referencia,
puede diferir de la imagen final del producto
4.1. Colocar el Receptor
Coloque el receptor en una superficie estable.
Nota: No coloque nada sobre el receptor. Deje más de 10 cm de espacio alrededor de los lados del
receptor para una correcta ventilación.
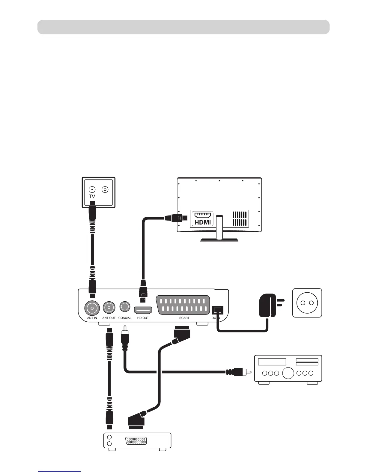
4.2. Conectar los Cables
Para una conexión básica desde su receptor a su televisor, puede utilizar la conexión de Eu-
roconector. Para una conexión de mayor calidad, utilice una conexión HDMI directa, como
se muestra a continuación. Opcionalmente puede conectar un Amplificador de Audio uti-
lizando un cable coaxial.
Nota: Antes de proceder a conectar los dispositivos entre ellos, debe apagarlos correctamente (por
ejemplo, el TV y el receptor)
TV
Toma de
Antena
Coaxial SPDIF
(no incluido)
Euroconector
(no incluido)
Cable de
antena
(no incluido)
Cable HDMI
(no incluido)
Cable de antena
(no incluido)
Amplificador Digital
VCR
Fuente de alimentación

Table of Contents

Related product manuals