EasyManua.ls Logo

Axminster ATDP13B - Exploded Diagram;Parts List

Axminster ATDP13B
32 pages
Print Icon
To Next Page IconTo Next Page
To Next Page IconTo Next Page
To Previous Page IconTo Previous Page
To Previous Page IconTo Previous Page
Loading...
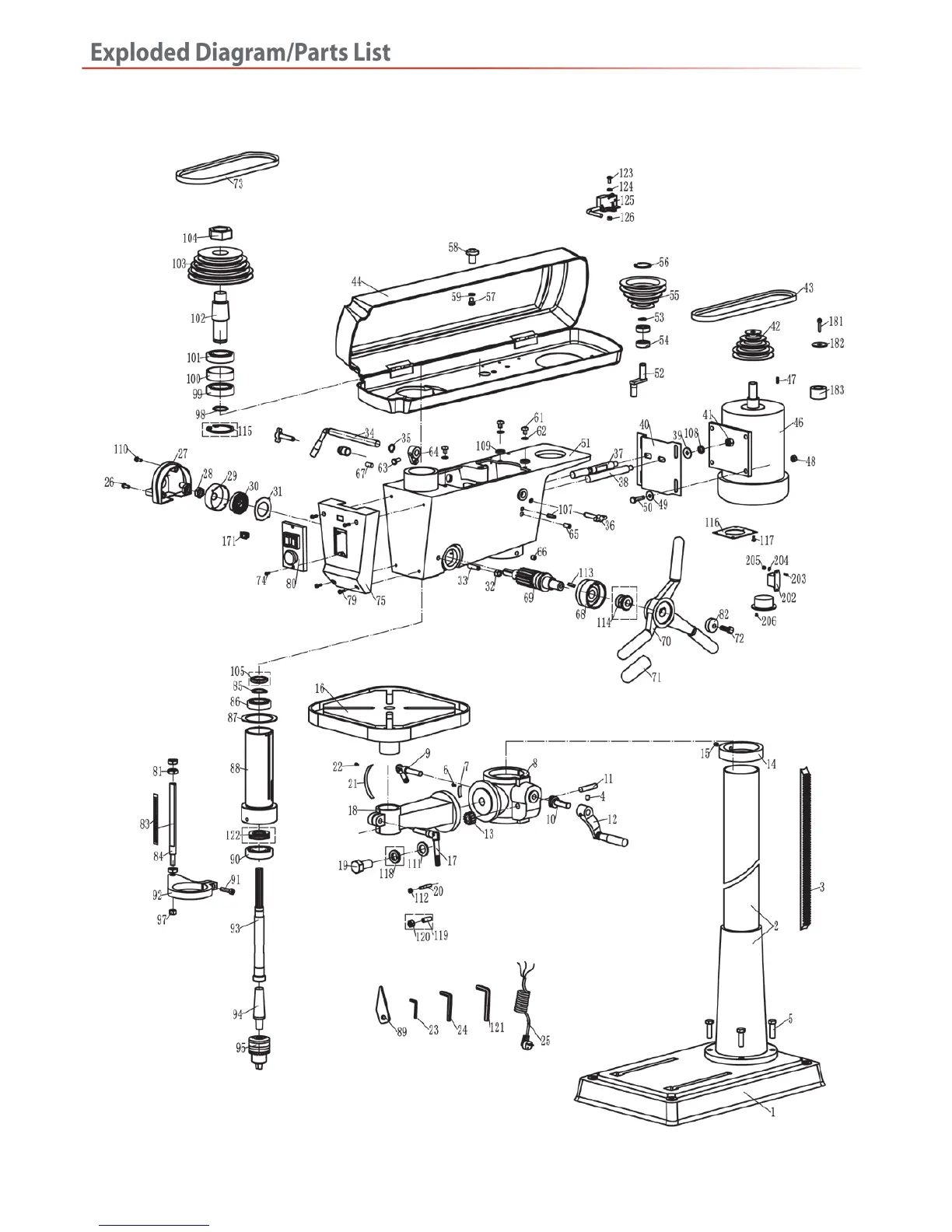
Exploded Diagram/Parts List
24

Related product manuals