EasyManua.ls Logo

Baja Comet 90cc BC90 - Electrical System Wire Diagram; Mini Bike Wiring Schematic

Baja Comet 90cc BC90
33 pages
Print Icon
To Next Page IconTo Next Page
To Next Page IconTo Next Page
To Previous Page IconTo Previous Page
To Previous Page IconTo Previous Page
Loading...
26
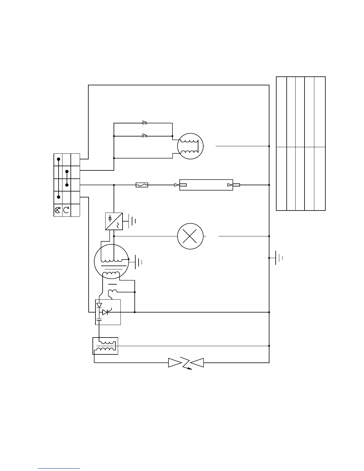
WIRE DIAGRAM
Ignition switch
Front Brake Switch
Rear Brake Switch
Tail/Brake Light
12VDC 5/21W
Fuse 10A
Battery
Head Light
12VAC 18W
Regulator
Magneto
Ignition coil
Spark plug
CDI
B/Y
W/B
B/W
B/R
B/W
W
Y
R
G
Y
G G
G
G
G
B
B
G/Y
G
G
B
B/W
R
W White
R Red
Y Yellow
G Green
B/W Black/White
Bl/W Blue/White
B/R Black/Red
B/Y Black/Yellow
G/Y Green/Yellow