EasyManua.ls Logo

Ballu BSGI 12 - Electrical Data; Indoor Unit Wiring Diagrams

Ballu BSGI 12
51 pages
Print Icon
To Next Page IconTo Next Page
To Next Page IconTo Next Page
To Previous Page IconTo Previous Page
To Previous Page IconTo Previous Page
Loading...
5
5
.
.
E
E
L
L
E
E
C
C
T
T
R
R
I
I
C
C
A
A
L
L
D
D
A
A
T
T
A
A
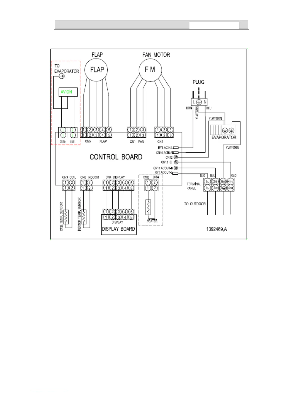
5-1.Electrical wiring diagrams
1.INDOOR
11
BSGI 09(12)

Related product manuals