EasyManua.ls Logo

Bandit 200UC - Page 72

Bandit 200UC
110 pages
Print Icon
To Next Page IconTo Next Page
To Next Page IconTo Next Page
To Previous Page IconTo Previous Page
To Previous Page IconTo Previous Page
Loading...
581/21
MODEL 200 UC HYDRAULICS
HYDRAULIC PUMP CHECK OUT
CORRECTING HYDRAULIC PROBLEMS
HYDRAULIC PUMP CHECK WITHOUT USING A FLOW METER
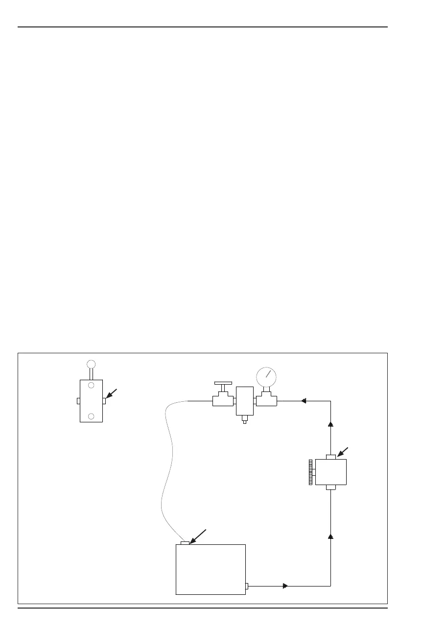
To check out the hydraulic pump the mechanic will need a needle type control valve, a pressure gauge
capable of reading 5000 psi (344 bar), an in-line 2500 psi (172 bar) relief, and a hose long enough to span
between the pump and the hydraulic tank.
1.
Disconnect the pressure line going from the pump
at the rst component and cap the tting at the
component.
2.
Attach a Tee tting to the end of the pressure
hose (which was removed from the component)
and install the Tee  tting and gauge.
3.
Attach an in-line 2500 psi (172 bar) relief to the
Tee  tting with the gauge.
4.
Attach the hydraulic ow control valve to the in‑line
relief and the hose (you supply) to the outlet port
of the  ow control valve.
5.
Make sure the pressure gauge is installed up
stream from the ow control valve. Failure
to do this will cause serious damage to the
hydraulic pump when testing.
6.
If the hydraulic oil tank is equipped with a mesh
strainer in the  ll neck, remove it and place the
open end of the hose (you supply) into the tank
ll neck.
7.
MAKE SURE THAT THE FLOW CONTROL
VALVE IS FULLY OPEN SO AS TO ALLOW
UNRESTRICTED FLOW TO PASS THROUGH
IT.
8.
Start the engine to engage the pump, the clutch
may have to be engaged if the pump is belt
driven.
Do not exceed
90% of system
pressure.
First
component
after pump.
Hose
supplied by
you.
Flow
Direction
Hydraulic
Tank
Pump
Outlet
Flow
Direction
Tee
Fitting
Gauge
Flow Control
Valve
Cap after
removing
hose.
Remove any  ller
neck screen.
In-Line
Relief
0
0
0
0
0
0
0
0
0
0
0
0
9.
Have a second person lift the hydraulic hose far
enough out of the tank inlet to observe the  ow
of oil going into the tank. Observe the pressure
gauge reading to make sure a high pressure
does not exist.
10.
Increase the engine speed slowly to full rpm and
at the same time observe the pressure. This
should still remain low.
11. SLOWLY
turn the needle valve on the flow
control in and observe the pressure increase on
the pressure gauge.
12.
Continue closing the ow control valve until the
pressure gauge reading reaches 90% of the
normal relief valve setting (example: if system
operates at 2500 psi (172 bar), do not exceed
2250 psi (155 bar).
Never allow the pressure to go more than 90%
of the main relief pressure.
13.
If the pump is good there should be no noticeable
decrease in the ow rate coming out of the hose
and into the hydraulic tank.
14.
If 90% of the main relief pressure can not be
obtained and/or the ow rate of the hose is
considerably less, then the pump is worn or
damaged.

Related product manuals