EasyManua.ls Logo

Bandit 200UC - Hydraulics

Bandit 200UC
110 pages
Print Icon
To Next Page IconTo Next Page
To Next Page IconTo Next Page
To Previous Page IconTo Previous Page
To Previous Page IconTo Previous Page
Loading...
Bandit79
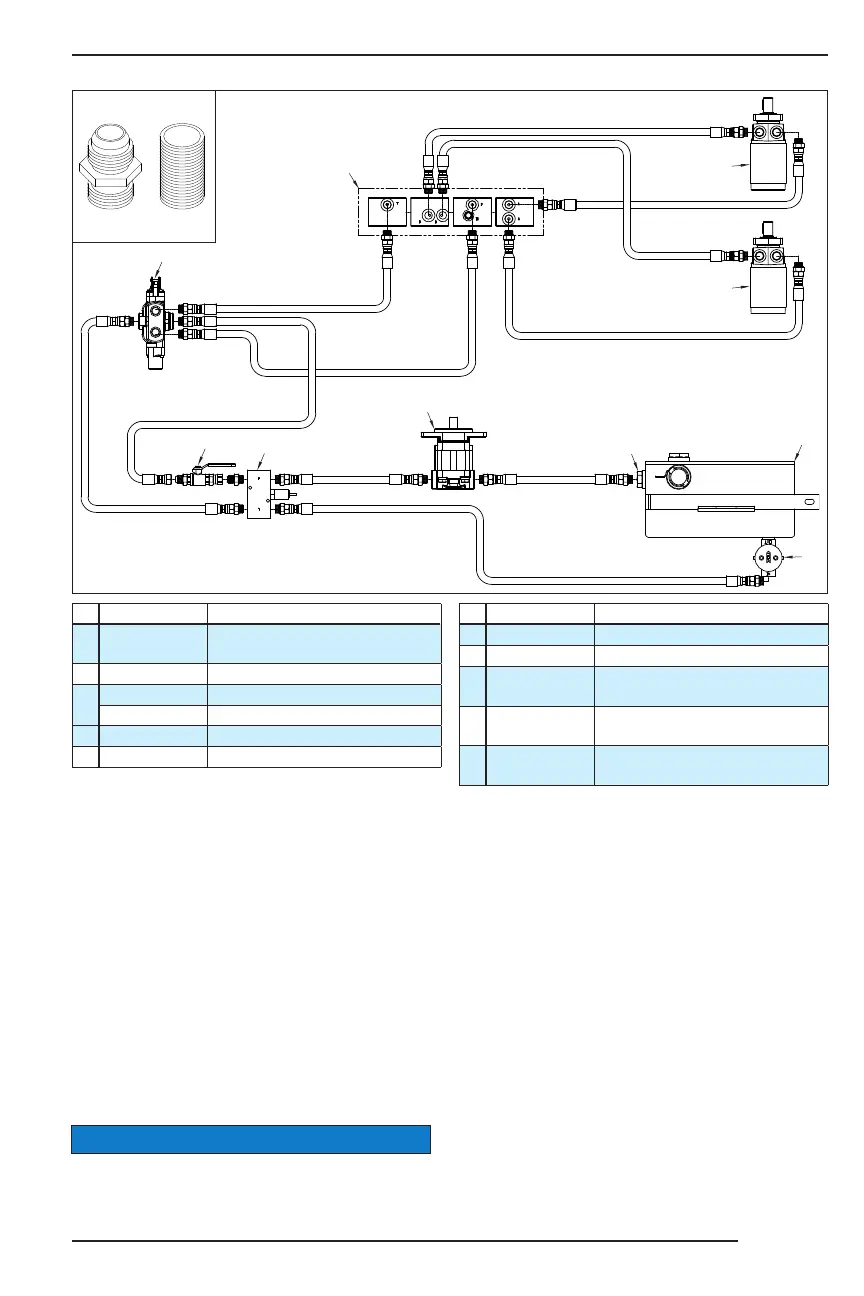
MODEL 200 UC REPLACEMENT PARTS
* Hydraulic components, ttings, hoses will vary depending on
optional equipment. Order by physical description.
** Hydraulic pumps need to be ordered by physical description and serial number of machine.
Make sure to order components according to tting
type, ttings may vary on all components.
HYDRAULIC SCHEMATIC (Start 12/17)
# Part Number Description
1
See Pages
88 - 89
Hydraulic Tank
2
900-3901-41 Hydraulic Tank Strainer
3
900-3900-09 Filter Head
900-3900-10 Filter
4
** Hydraulic Pump
5
See Page 83 Relief Block
# Part Number Description
6
See Page 78 In-Line Pressure Check Kit
7
900-3920-05A Feedwheel Control Valve
8
See Page 81
Reversing “Autofeed Plus” &
Flow Divider Manifold
9
900-3972-04
Top Feedwheel Hydraulic
Motor
10
900-3972-05
Bottom Feedwheel Hydraulic
Motor
NOTICE
Examples of
straight ttings.
PIPE
FITTING
JIC / SAE
O-RING
5
6
7
8
9
10
1
2
4
3

Related product manuals