EasyManua.ls Logo

Baoli CPDS15 - Page 41

Baoli CPDS15
87 pages
Print Icon
To Next Page IconTo Next Page
To Next Page IconTo Next Page
To Previous Page IconTo Previous Page
To Previous Page IconTo Previous Page
Loading...
36
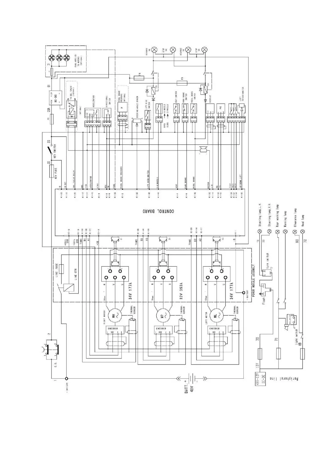
Fig.4-2 Principle of electric system

Related product manuals