EasyManua.ls Logo

Barnstead 47900 - Page 53

Default Icon
60 pages
Print Icon
To Next Page IconTo Next Page
To Next Page IconTo Next Page
To Previous Page IconTo Previous Page
To Previous Page IconTo Previous Page
Loading...
53
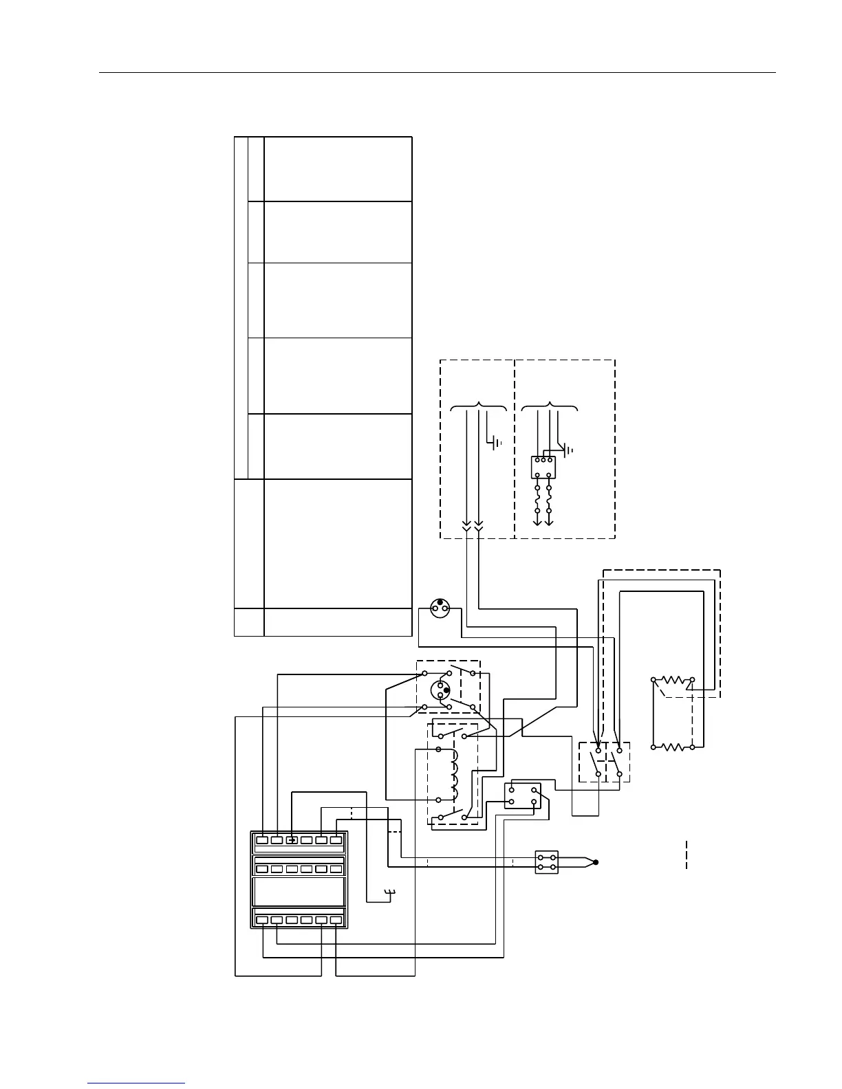
WIRING D
IAGRAMS
8 SEGMENT PROGRAMMABLE CONTROL
F47920-33-80
ONLY
RY1
F2
F1
DS1
GND
FL1
LOAD
LINE
GND
G
L2
LINE
G
L2
L1
LINE
L1
H1
T2
T1
H2
T3
T4
1A
1B
3B
3A
2B
2A
HF
HE
HD
HC
HB
HA
N
L
V-
V+
VI
YLW
TC+
TC1
TB1
GND
S3
RED
TC-
RY2
1
4
2
3
S2
-+
TC1165X1
FZX30
FZX30
SWX163
CAX94
PLX82
RYX57
RYX34
EL479X1A
EL479X1A
SWX163
SWX144
F47920-33-80
MODEL NO. AND OUR PART NO.(s)
DIAGRAM COMPONENT LIST
THERMOCOUPLE
DOOR SWITCH
FILTER, EMI
DESCRIPTION
CONTROL
PILOT LIGHT, NEON
HEATING ELEMENT
DOOR SWITCH
SWITCH
RELAY, DPST, N.O.
HEATING ELEMENT
SOLID STATE RELAY
S1
TC1
S3
S2
REF.
FUSEF2
FUSEF1
FL1
NO.
RY1
RY2
H2
H1
DS1
CN1
SWX144SWX144
TC1165X1
SWX163
SWX163
TC1165X1
SWX163
SWX163
F47920-80
CN71X74
EL479X1A
EL479X1A
PLX82
RYX57
RYX34
PLX82
EL479X1A
F47920-26-80
RYX34
RYX57
EL479X1A
SWX143 SWX143
TC1165X1
SWX163
SWX163
TC1165X1
SWX163
SWX163
F47925-80
EL479X1A
PLX76
EL479X1A
RYX56
RYX34
PLX76
EL479X2A
F47924-80
RYX34
RYX56
EL479X2A
S1
DASHED LINES " "
WIRING DIAGRAM
WIRE CONNECTIONS.
DENOTE 100/120 V.
NOTES:
TERMINAL BLOCKTB1 TRX136 TRX136 TRX136 TRX136 TRX136
CN71X74 CN71X74 CN71X74 CN71X74

Related product manuals