EasyManua.ls Logo

Barreto 1320 - Honda Gx390 Schematic

Default Icon
19 pages
Print Icon
To Next Page IconTo Next Page
To Next Page IconTo Next Page
To Previous Page IconTo Previous Page
To Previous Page IconTo Previous Page
Loading...
1320/1620 Owner’s-Operator’s Manual
8/30/18
Page 5 of 19
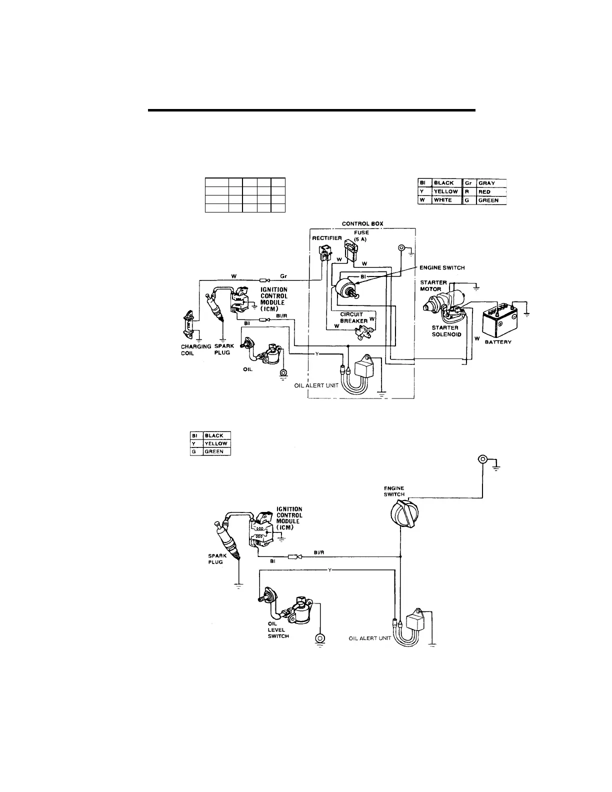
ELECTRICAL SCHEMATIC - HONDA GX390
TECHNICAL
&
CONSUMER INFORMATION
Wiring Diagrams
Oil Alert® and Electric
Starter Types
ENGINE SWITCH
IG
E
BAT
OFF
o-
-o
ON
START
-o
Gr
LEVEL
SWITCH
81/W
Engine Types with Oil Alert® and
Without
Electric
Starter

Related product manuals