EasyManua.ls Logo

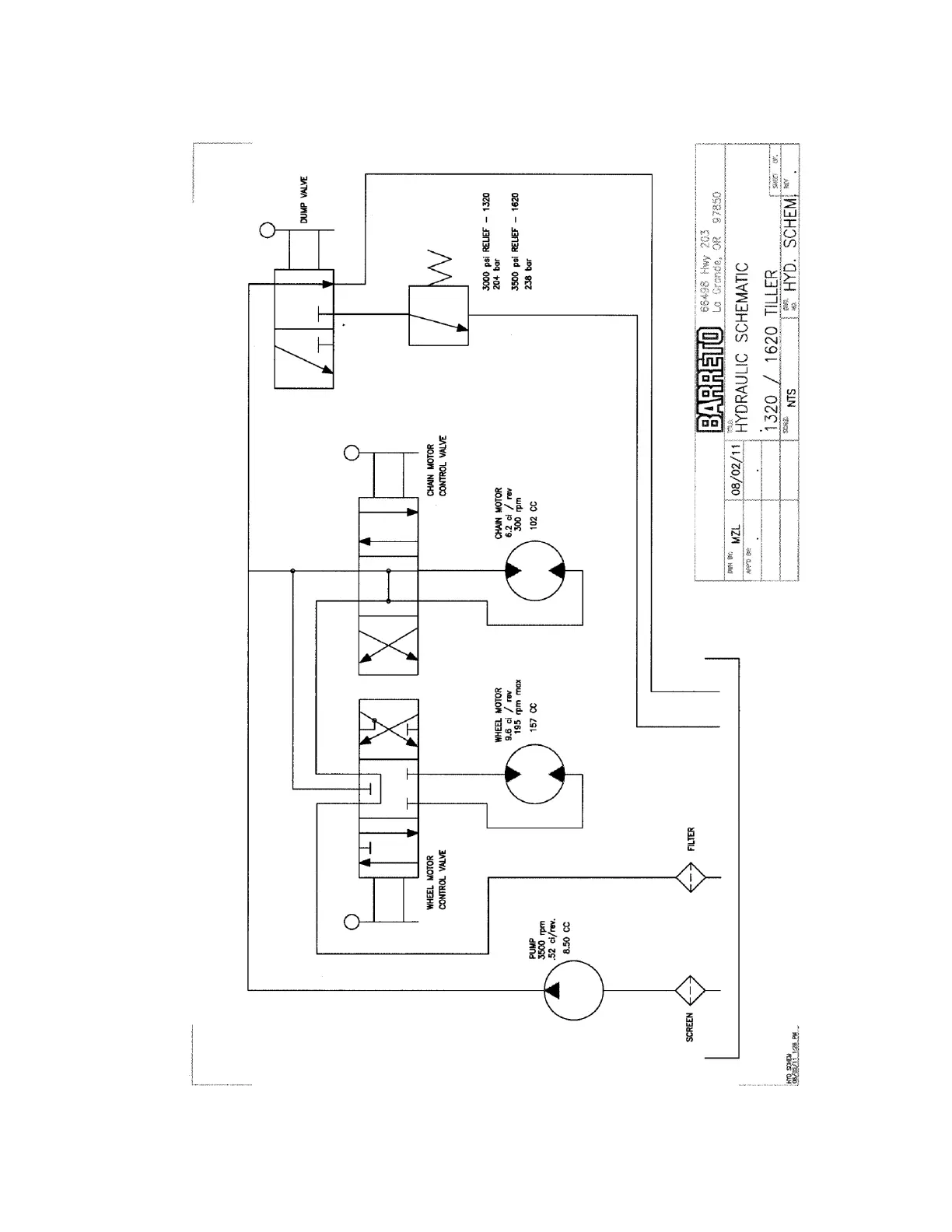
Barreto 1320 - Hydraulic Schematic

Default Icon
19 pages
Print Icon
To Next Page IconTo Next Page
To Next Page IconTo Next Page
To Previous Page IconTo Previous Page
To Previous Page IconTo Previous Page
Loading...
1320/1620 Owner’s-Operator’s Manual
8/30/18
Page 7 of 19
HYDRAULIC SCHEMATIC

Related product manuals