EasyManua.ls Logo

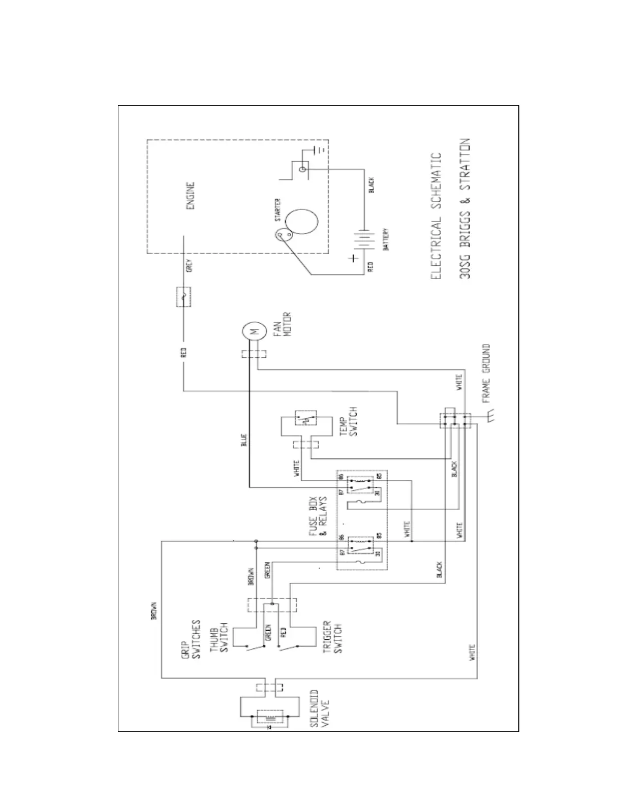
Barreto E30SG - Electrical and Hydraulic Schematics; Engine Electrical Schematics

Barreto E30SG
19 pages
Print Icon
To Next Page IconTo Next Page
To Next Page IconTo Next Page
To Previous Page IconTo Previous Page
To Previous Page IconTo Previous Page
Loading...
30SG OWNER’S MANUAL
5/6/21
Page 13 of 19
STUMP GRINDER ELECTRICAL SCHEMATIC WITH BRIGGS ENGINE

Related product manuals