EasyManua.ls Logo

Baumatic BDWI460 - Page 33

Baumatic BDWI460
48 pages
Print Icon
To Next Page IconTo Next Page
To Next Page IconTo Next Page
To Previous Page IconTo Previous Page
To Previous Page IconTo Previous Page
Loading...
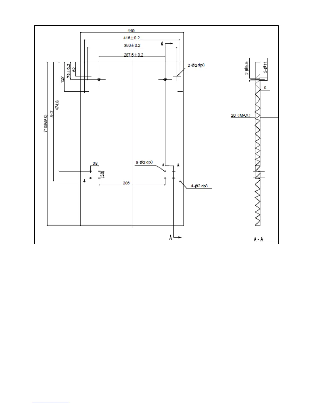
Preparing and connecting the furniture door
o IMPORTANT: The furniture door is not supplied with the
appliance. You should purchase one to match with the rest of
your kitchen cabinets.
o The maximum weight of the furniture door should be 5.5
kilograms. The maximum thickness of the furniture door
should be 15 mm.
o Use the installation template supplied with the appliance to mark
up and then drill out the necessary holes in the furniture door.
o Attach the upper hooks onto the furniture door.
o Attach the lower hooks onto the furniture door.
33

Related product manuals