EasyManua.ls Logo

Baxi Eco Compact - Page 52

Baxi Eco Compact
68 pages
Print Icon
To Next Page IconTo Next Page
To Next Page IconTo Next Page
To Previous Page IconTo Previous Page
To Previous Page IconTo Previous Page
Loading...
7110102.03 (1-06/13) 208
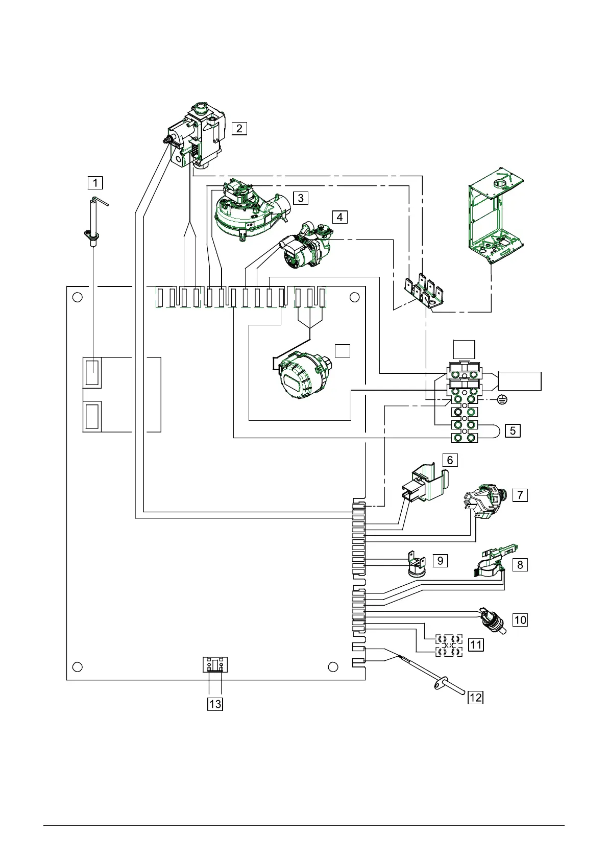
SECTION B
ECO COMPACT 14 F - 18 F - 24 F
G/V
~230V
N
N
M
G
G/V
G/V
G/V
G/V
B
B
C
C
G/V
G/V
M
C
X1 X2
X3
X4
X5
X6
X8
1
111
1
1
R
R
V
V
C
R
B
B
R
R
N
N
G/V
M
C
N
N
CG_2439
B
M
N
C
M1
14

Table of Contents

Related product manuals