EasyManua.ls Logo

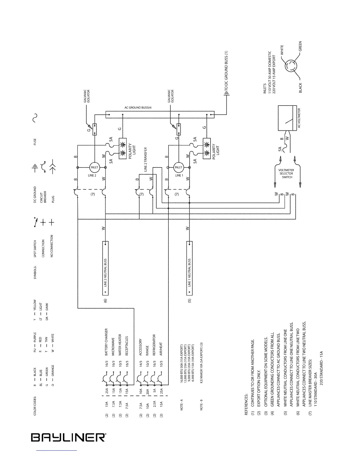
Bayliner 265 - Dual Shore Power (if Equipped)

Bayliner 265
84 pages
Print Icon
To Next Page IconTo Next Page
To Next Page IconTo Next Page
To Previous Page IconTo Previous Page
To Previous Page IconTo Previous Page
Loading...
265 Owner’s Manual Supplement Chapter 12: Electrical System
69
Dual Shore Power (If Equipped)

Table of Contents

Other manuals for Bayliner 265

Related product manuals