EasyManua.ls Logo

Bayliner 265 - Battery Switch Positions Explained

Bayliner 265
84 pages
Print Icon
To Next Page IconTo Next Page
To Next Page IconTo Next Page
To Previous Page IconTo Previous Page
To Previous Page IconTo Previous Page
Loading...
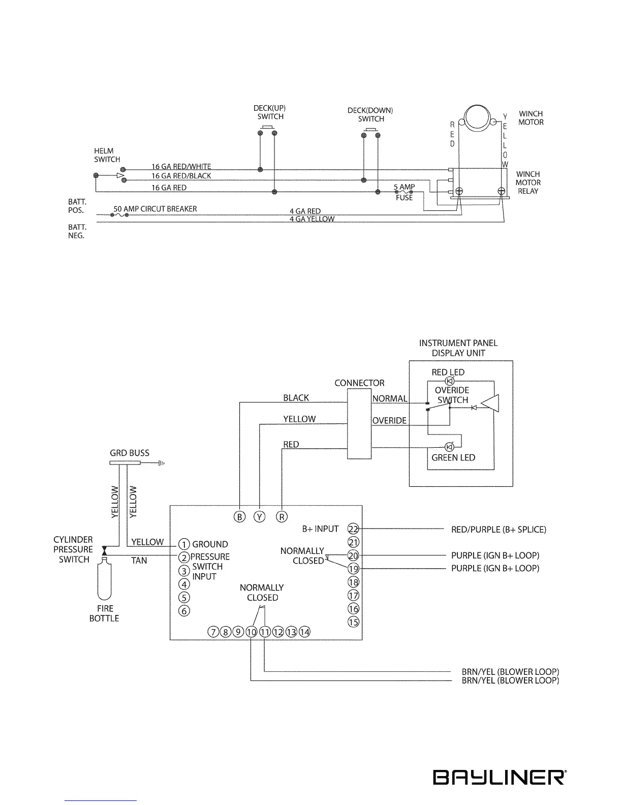
Chapter 12: Electrical System 265 Owner’s Manual Supplement
70
Windlass Wiring Diagram (If Equipped)
Fire Suppresion System Wiring Diagram (If Equipped)

Table of Contents

Other manuals for Bayliner 265

Related product manuals