EasyManua.ls Logo

Bayside LAGOON CTC - Electrical Wiring

Bayside LAGOON CTC
12 pages
Print Icon
To Next Page IconTo Next Page
To Next Page IconTo Next Page
To Previous Page IconTo Previous Page
To Previous Page IconTo Previous Page
Loading...
Lagoon CTC Fan Installation Instructions
6 | P a g e
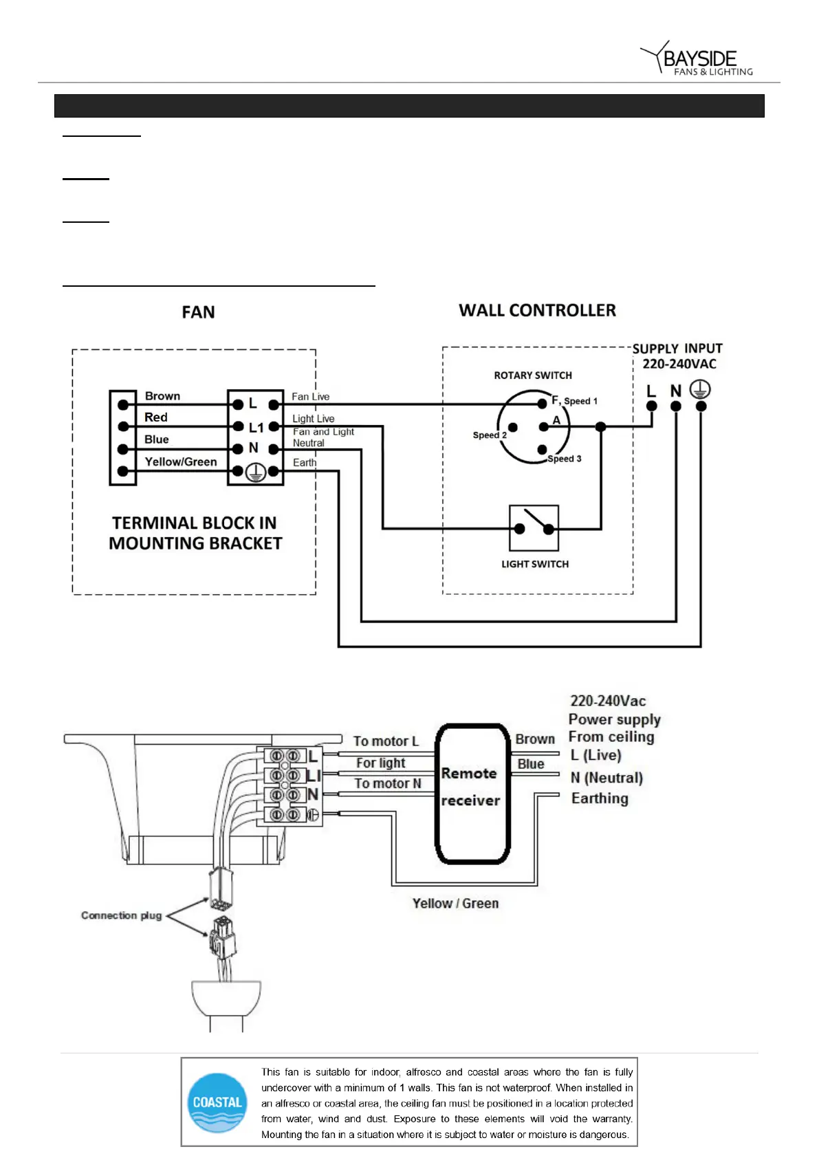
ELECTRICAL WIRING DIAGRAM
WARNING: FOR YOUR SAFETY ALL ELECTRICAL CONNECTIONS MUST BE UNDERTAKEN BY A
LICENSED ELECTRICIAN.
NOTE: AN ADDITIONAL ALL POLE DISCONNECTION SWITCH MUST BE INCLUDED IN THE FIXED
WIRING.
NOTE: Wiring diagram includes the light kit wiring. The light wiring diagram and switch is omitted
when no light kit is used with the ceiling fan.
USE WITH WALL SWITCH WIRING DIAGRAM:
USE WITH REMOTE WIRING DIAGRAM: (REMOTE sold separately)
1/ Remote without plugs
Fig. 6
Fig. 7

Related product manuals