EasyManua.ls Logo

Behncke QWT - 3 Aufstellen;Installieren; Transportieren;Lagern; Aufstell- und Anschlußmaße

Default Icon
Print Icon
To Next Page IconTo Next Page
To Next Page IconTo Next Page
To Previous Page IconTo Previous Page
To Previous Page IconTo Previous Page
Loading...
8
Aufstellen/Installieren
3 Aufstellen / Installieren
3.1 Transportieren/Lagern
Transportieren Sie den Wasser-Wärmetauscher nur entleert.
Lagern Sie den gespülten und entleerten Wasser-Wärmetauscher nur in
Innenräumen mit nicht-aggressiver Atmosphäre.
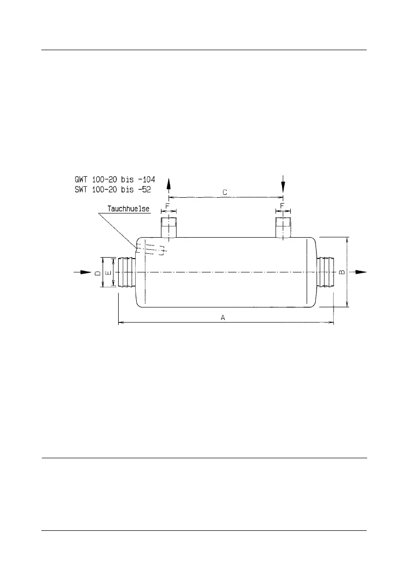
3.2 Aufstell- und Anschlußmaße
Artikel A B C D E F
mm mm Ø mm NW Zoll Zoll
QWT 100-20 275 125 90 50 1
1
/
2
3
/
4
QWT 100-30 315 125 135 50 1
1
/
2
3
/
4
QWT 100-40 385 125 205 50 1
1
/
2
3
/
4
QWT 100-70 520 190 290 50 1
1
/
2
1
QWT 100-104 660 190 430 60 2 1
SWT 100-20 530 153 335 50 1
1
/
2
3
/
4
SWT 100-25 710 153 520 50 1
1
/
2
3
/
4
SWT 100-40 800 190 570 50 1
1
/
2
1
SWT 100-52 1090 190 870 50 1
1
/
2
1
Badewasser
Sekundärseite Primärseite

Table of Contents

Other manuals for Behncke QWT

Related product manuals