EasyManua.ls Logo

Belarus 3522.5 - Magnetic Filter; Electrohydraulic Transmission Hydraulic System Distributor

Belarus 3522.5
340 pages
Print Icon
To Next Page IconTo Next Page
To Next Page IconTo Next Page
To Previous Page IconTo Previous Page
To Previous Page IconTo Previous Page
Loading...
3522.5-0000010 РЭ
146
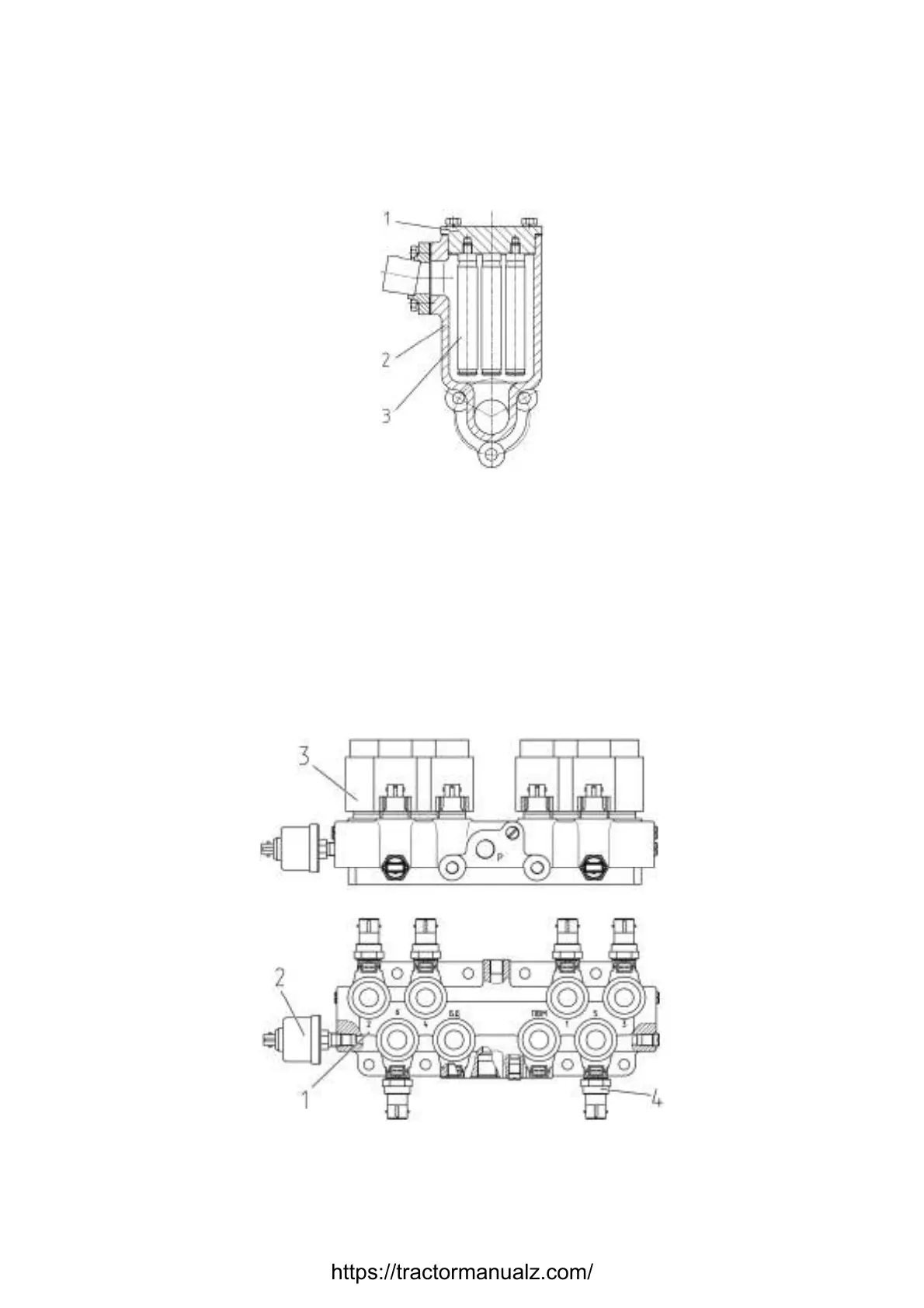
3.11.3 Magnetic Filter
The magnetic filter (figure 3.11.4), intended for oil separation from ferromagnetic particles
of transmission hydraulic system. It is situated to the right along tractor movement on GB
cover of creeper control. The filter consists of the case 2 on which is mounted cover 1 with
four magnet traps 3.
1 – cover; 2 – casing; 3. magnet trap.
Figure 3.11.4 – Magnetic filter
3.11.4 Electrohydraulic Transmission Hydraulic System Distributor
Electrohydraulic transmission hydraulic system distributor is intended for GB and rear
axle differential lock friction clutches control The distributor is mounted on top plane of clutch
casing. In distributor casing 1 (figure 3.11.5) are screwed:
- six distributors 3 for control of six gears of GB;
- distributor of rear axle differential lock;
- distributor marked «ПВМ»(it means FDA) is not used;
- seven oil pressure sensors 4 in GB and rear axle differential lock friction clutches;
- oil pressure indicator sensor 2 in transmission hydraulic system.
1 – casing; 2 –pressure indicator sensor; 3 –distributor; 4 – pressure sensor.
Figure 3.11.5 – Electrohydraulic transmission hydraulic system distributor
https://tractormanualz.com/

Table of Contents

Related product manuals