EasyManua.ls Logo

Belarus 80.1 - Front driving axle

Belarus 80.1
381 pages
Print Icon
To Next Page IconTo Next Page
To Next Page IconTo Next Page
To Previous Page IconTo Previous Page
To Previous Page IconTo Previous Page
Loading...
80-0000010B OM
137
3.10. Front driving axle
3.10.1 FDA with bevel wheel gear group
3.10.1.1 General information
The FDA with bevel wheel gear group is mounted on tractor “BELARUS-82.1”. The
front driving axle is intended for transmitting torque to the tractor front driven wheels. The
FDA consists of the main gear, the differential and wheel gear group. The main gear is a
pair of bevel gears with spiral teeth. The composition of the FDA with bevel wheel gear
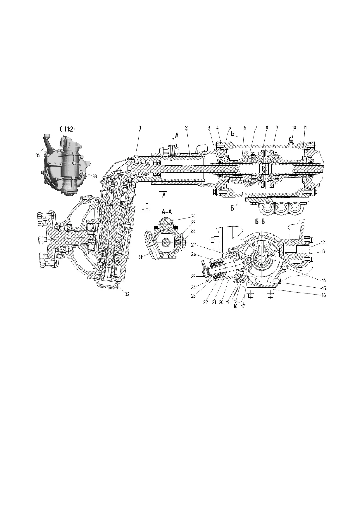
group is shown in figure 3.10.1.
1 – wheel gear group; 2 – FDA cover; 3, 23 – gaskets; 4, 18adjusting shims; 5, 19 – sealing rings;
6 nut; 7 driven gear; 8 FDA body; 9 differential; 10 breather; 11, 26, 27 tapered roller bearings;
12 lock plank; 13 oscillation axis; 14 filler and control plug; 15 drain plug; 16 hydraulic cylinder
mounting bracket (for HSC); 17 drive gear; 20 drive gear cage; 21 adjusting rings (2 pcs.);
22 oil thrower ring; 24 cardan shaft flange; 25 nut; 28 pin, 29 split pin; 30 worm; 31 wedge;
32 – drain plug, 33 – filler and control plug; 34 – steering rod mounting bracket.
Figure 3.10.1 – Composition of FDA with bevel wheel gear group
Drive gear of the main gear 17 (figure 3.10.1) is installed in drive gear cage 20 on two
tapered roller bearings 26, 27. The required preload is adjusted by selection of two adjusting
rings whereafter tightening of nut 25 is carried out and its fixation by means of turn of the split
pin. Driven gear 7 is mounted on splines and centering band of the differential 9 housing and
is locked by nut 6 against axial movement. Adjustment of the main gears meshing is provided
by shims 4 and 18, installed between left and right covers 2 and FDA body as well as between
the flange of drive gear 20 and FDA body 8 accordingly. Before adjustment of the gears
meshing adjustment of differential roller bearings 11 is carried out by shims 4.
Left and right covers 2 are connected with FDA body 8 by bolts, and form beam of
the FDA. The FDA body is provided with breather 10, maintaining normal pressure in the cav-
ity of the FDA beam and the main gear.

Table of Contents

Related product manuals