EasyManua.ls Logo

Belarus 80.1 - Dosing Pump

Belarus 80.1
381 pages
Print Icon
To Next Page IconTo Next Page
To Next Page IconTo Next Page
To Previous Page IconTo Previous Page
To Previous Page IconTo Previous Page
Loading...
80-0000010B OM
161
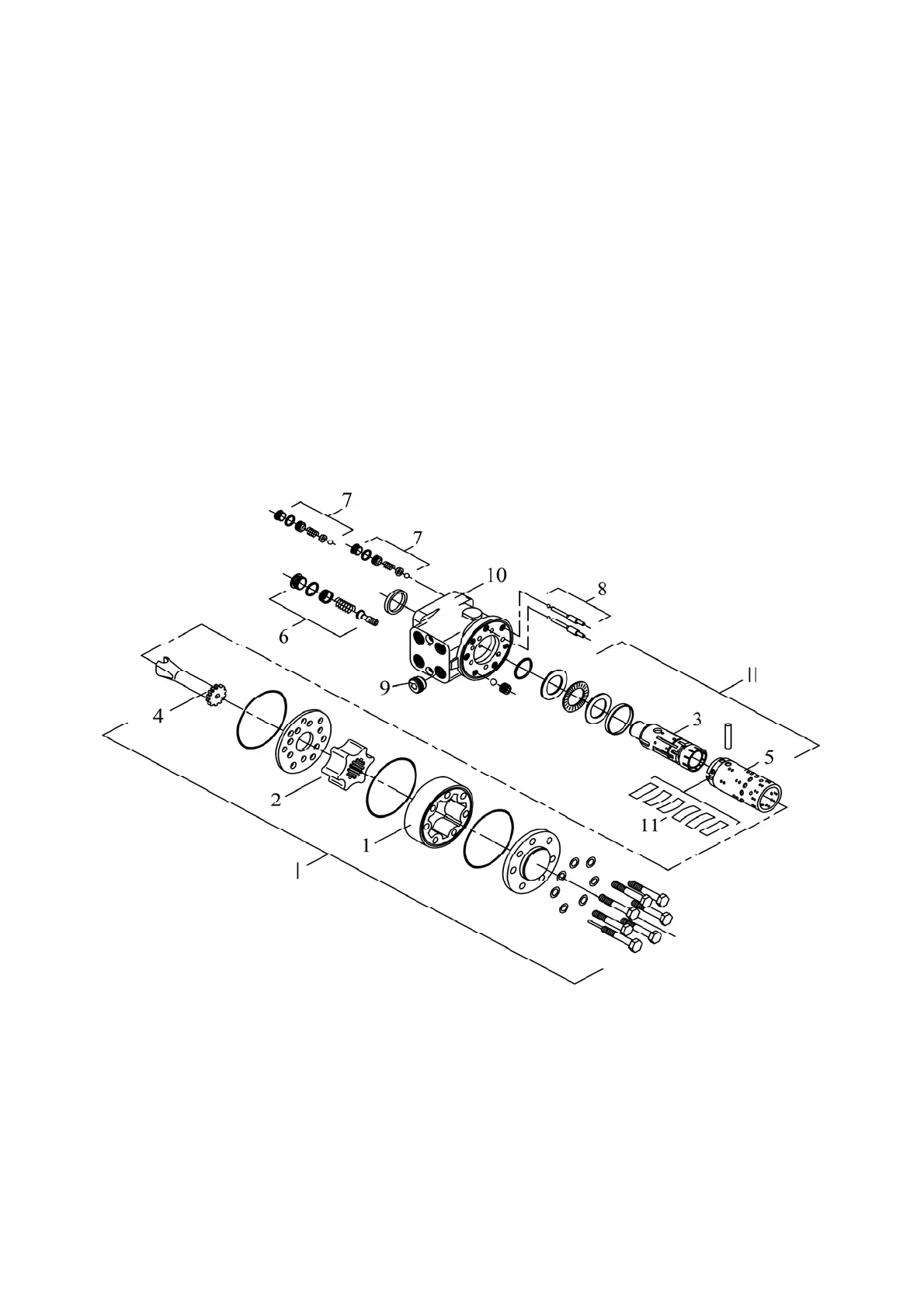
3.12.2 Dosing pump
Dosing pump is of gerotor type with an “open center” and no reaction on the steer-
ing wheel includes housing 10 (figure 3.12.4), pumping unit I, distributor II, two anti-shock
valves 7, safety valve 6, two air-inlet valves 8 and back-flow valve 9.
Gerotor pumping unit I consists of stator 1 secured on housing 10 and rotating rotor
2, connected to spool 3 through cardan shaft 4.
Distributor II consists of sleeve 5, set of plate springs 11 and spool 3, connected by
splines with shank of steering column drive shaft.
The back-flow valve provides operation of the dosing pump in the manual control
mode as a manual pump, when the feed pump is faulty.
Safety valve 6 prevents pump and HSC hydraulic system from overloading, limiting
maximum pressure in the pressure line in the range from 14 to 15 MPa.
Anti-shock valves 7 (right and left) protect hoses of cylinder hydraulic lines from
peak pressures, arising in the cavities of the hydraulic cylinder at the moment of steering
wheels running-over obstacles. Anti-shock valves adjusting pressure is from 20 to 21 MPa.
Air-inlet valves 8 (right and left) prevent HSC hydraulic system from vacuum and
cavitation when anti-shock valves actuate.
1 stator; 2 rotor; 3 spool; 4 cardan shaft; 5 sleeve; 6 safety valve;
7 anti-shock valves; 8 air-inlet valves; 9 back-flow valve; 10 housing; 11 plate
springs; I – pumping unit; II – distributor.
Figure 3.12.4 – Dosing pump

Table of Contents

Related product manuals