EasyManua.ls Logo

Belarus 80.1 - Hydrostatic steering control

Belarus 80.1
381 pages
Print Icon
To Next Page IconTo Next Page
To Next Page IconTo Next Page
To Previous Page IconTo Previous Page
To Previous Page IconTo Previous Page
Loading...
80-0000010B OM
157
3.12 Hydrostatic steering control
3.12.1 General information
Hydrostatic steering control (HSC) is designed to control turning of guiding wheels
and to decrease steering wheel turning force.
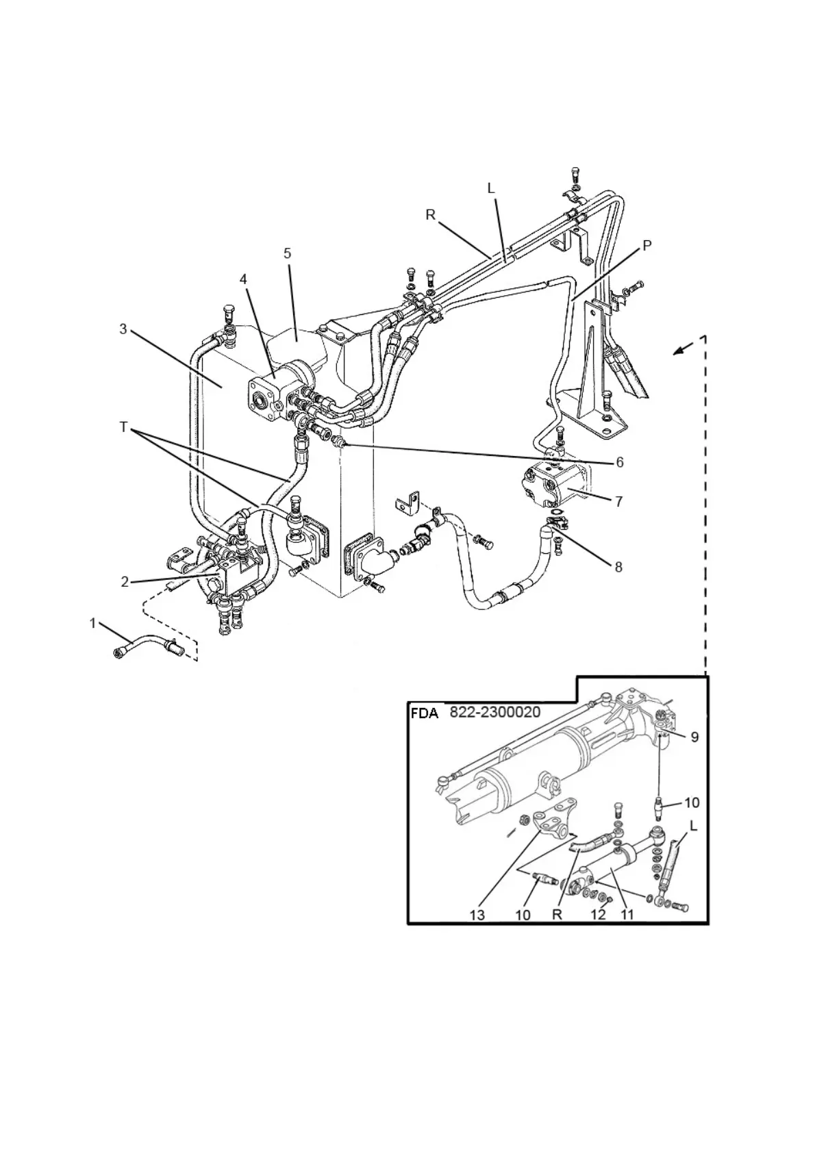
1 oil pipeline of the differential lock coupling; 2 lock valve; 3 HLL and HSC
combined oil tank; 4 dosing pump; 5 drain filter; 6 emergency oil pressure sensor;
7 HSC feed pump; 8 suction hydraulic line; 9 swivel lever; 10 cone pins;
11 steering hydraulic cylinder; 12 grease fitting; 13 cylinder bracket; Р pressure
hydraulic line; Т – drain hydraulic line; L – left turn hydraulic line; R – right turn hydraulic
line.
Figure 3.12.1 Hydrostatic steering control and differential lock valve (for tractors
BELARUS-820).

Table of Contents

Related product manuals