EasyManua.ls Logo

Bell System BSX - Wiring to Door Components

Bell System BSX
32 pages
Print Icon
To Next Page IconTo Next Page
To Next Page IconTo Next Page
To Previous Page IconTo Previous Page
To Previous Page IconTo Previous Page
Loading...
BSX Isolated Audio Entry System
PD-142 Issue 1 Installation and Operating Manual Page 28 of 32
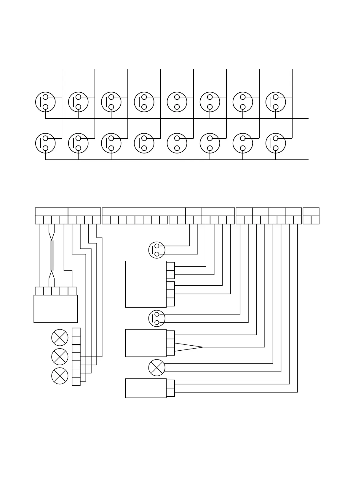
Wiring to Door Push Buttons
Wiring to Door Panel and Door Equipment
N.B. The time clock is wired to 1 panel only, the signal is then internally routed to the
other panel.
1 2 3 4 5 6 7 8
9 10 11 12 13 14 15 16
P1 P2 P3 P4 P5 P6 P7 P8
B9
B1
H
H
+LSR
R O
-
LL +LRLC
-
B1 C
CC
T
T
++
+ +
+++
Speech Unit DDA Display
DDA LED's
(Where fitted)
ExitTime clock PowerEng.Trade Door Lock
B9 NO
NCNC
LC LL LS LR B2 B1 -
NONO
C
C
--
- -
---
P2 P6P3 P7 P8P4
Push Buttons
P5
P1
Speech Unit
R&H shown using
a twisted pair
TS2000-BST
Time Clock
Door Sensor
or
See Text
OWC CWC
Engaged LED
(Other door busy)
Trades
Lock
Speak
Now
Ringing
Exit (NO contacts)
Lock
or Fail Safe
Fail Secure

Related product manuals