EasyManua.ls Logo

Belling Richmond - Page 48

Belling Richmond
52 pages
Print Icon
To Next Page IconTo Next Page
To Next Page IconTo Next Page
To Previous Page IconTo Previous Page
To Previous Page IconTo Previous Page
Loading...
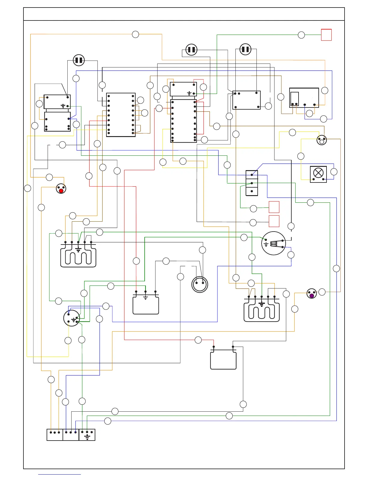
BELLING RICHMOND 1000/1100DFT - AU LH OVENS
L
N
INLET TERMINAL BLOCK
Wiring colour code: Bk-Black, Bn-Brown, Bu-Blue, Gn-Green, Or-Orange, R-Red, W-White, Y-Yellow, Gy-Grey, V-Violet
ISSUE A - P1/2
R
PROGRAMMER
LN
LH MAIN OVEN
FAN
ELEMENT
LH TOP OV GRILL ELEMENT
T/O BASE
ELEMENT
LH TOP REAR
THERMAL
CUTOUT
LH MAIN
OVEN NEON
LH TOP FRONT
THERMAL
CUTOUT
LH SIDE
COOLING
FAN
GRILL NEON
LH MAIN
OVEN
STIR
FAN
1
2
THERMOSTAT
LH TOP OVEN SWITCH
1
2
3
4
5
6
7
P1
P2
P3
P4
P5
P6
P7
P1,L
2,A
4,N
GRILL REG.
PILOT
8
7
6
5
4
3
2
1
P8
P7
P6
P5
P3
P2
P1
SELECTOR SWITCH
LH MO
(LH) 3 WAY
TERMINAL
BLOCK
LH MAIN OV
GRILL ELEMENT
LH REAR
THERMAL
CUTOUT
TOP
OVEN NEON
1
2
THERMOSTAT
1
2
P1
P2
LH MAIN
OV
444
446
409
409
513
449
449
428
428
450
450
448
448
W
W
422
422
554
554
553
553
554
554
552
553
553
P8
8
444
537
555
555
41
41
W
W
450
450
556
556
556
428
428
408
408
506
403
403
419
427
427
412
412
412
63
63
440
440
453
453
426
426
426
LH M/O
BASE
ELEMENT
P4
MAIN (LH)
OVEN LAMP
557
557
557
426
FRONT
BACK
444
63
553
440
440
63
63
63
513
A
B
C
63
63
20
20
W
W
08 30822 00
05.2010

Related product manuals