EasyManua.ls Logo

Benchmark 1635-709 - Exploded View

Benchmark 1635-709
21 pages
Print Icon
To Next Page IconTo Next Page
To Next Page IconTo Next Page
To Previous Page IconTo Previous Page
To Previous Page IconTo Previous Page
Loading...
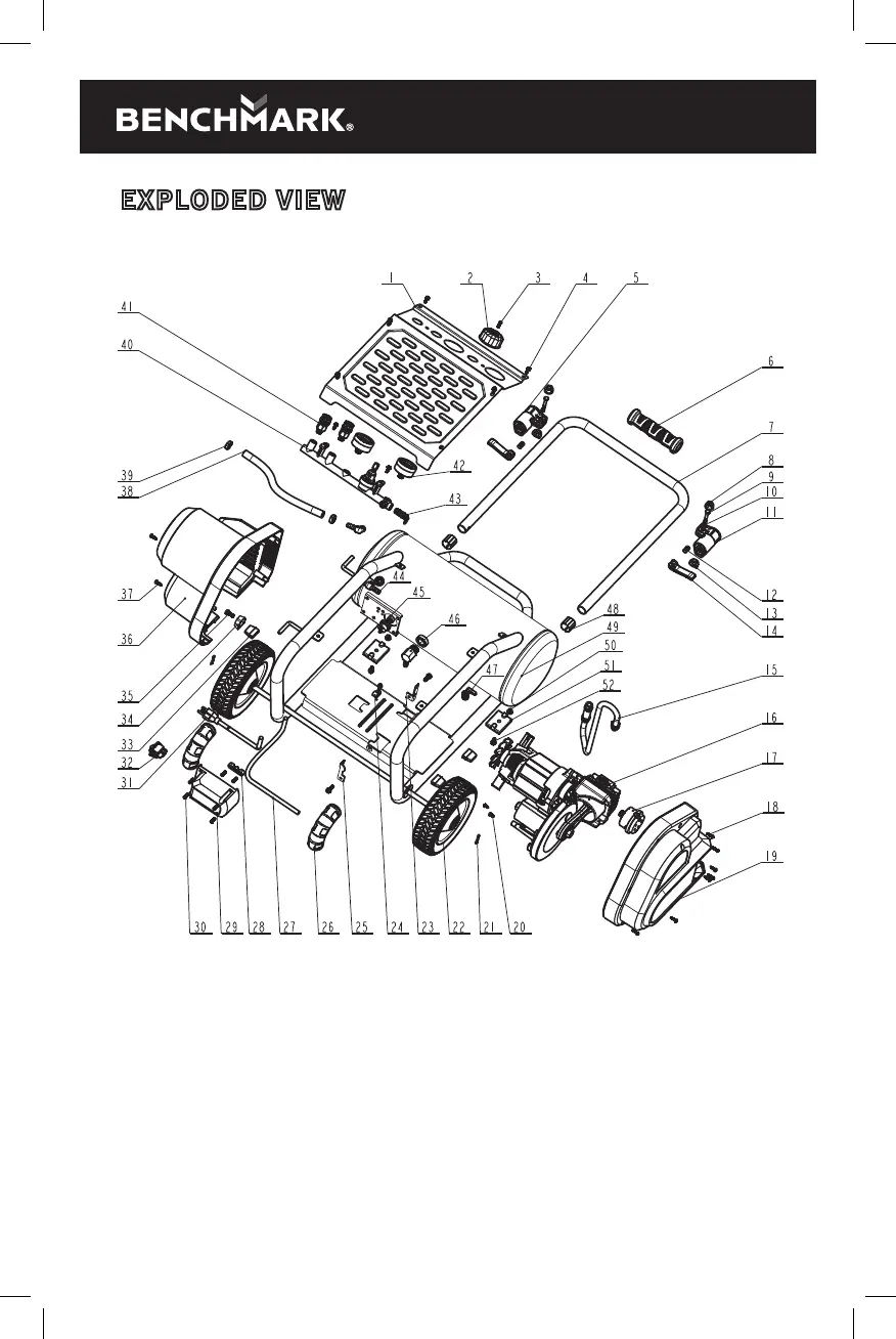
EXPLODED VIEW
17