EasyManua.ls Logo

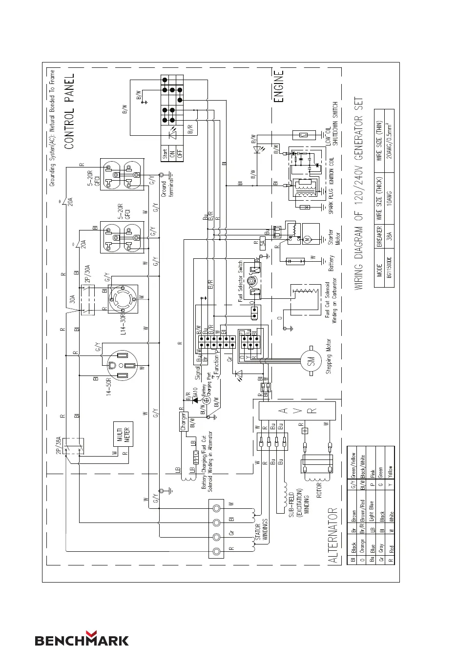
Benchmark BG4650E - Wiring Diagram BG11,500 DE

Benchmark BG4650E
146 pages
Print Icon
To Next Page IconTo Next Page
To Next Page IconTo Next Page
To Previous Page IconTo Previous Page
To Previous Page IconTo Previous Page
Loading...
57
TM
WIRING DIAGRAM BG11,500DE

Table of Contents

Other manuals for Benchmark BG4650E

Related product manuals