EasyManua.ls Logo

BENDIX A-18 TRAILER ABS - Page 37

BENDIX A-18 TRAILER ABS
40 pages
Print Icon
To Next Page IconTo Next Page
To Next Page IconTo Next Page
To Previous Page IconTo Previous Page
To Previous Page IconTo Previous Page
Loading...
37
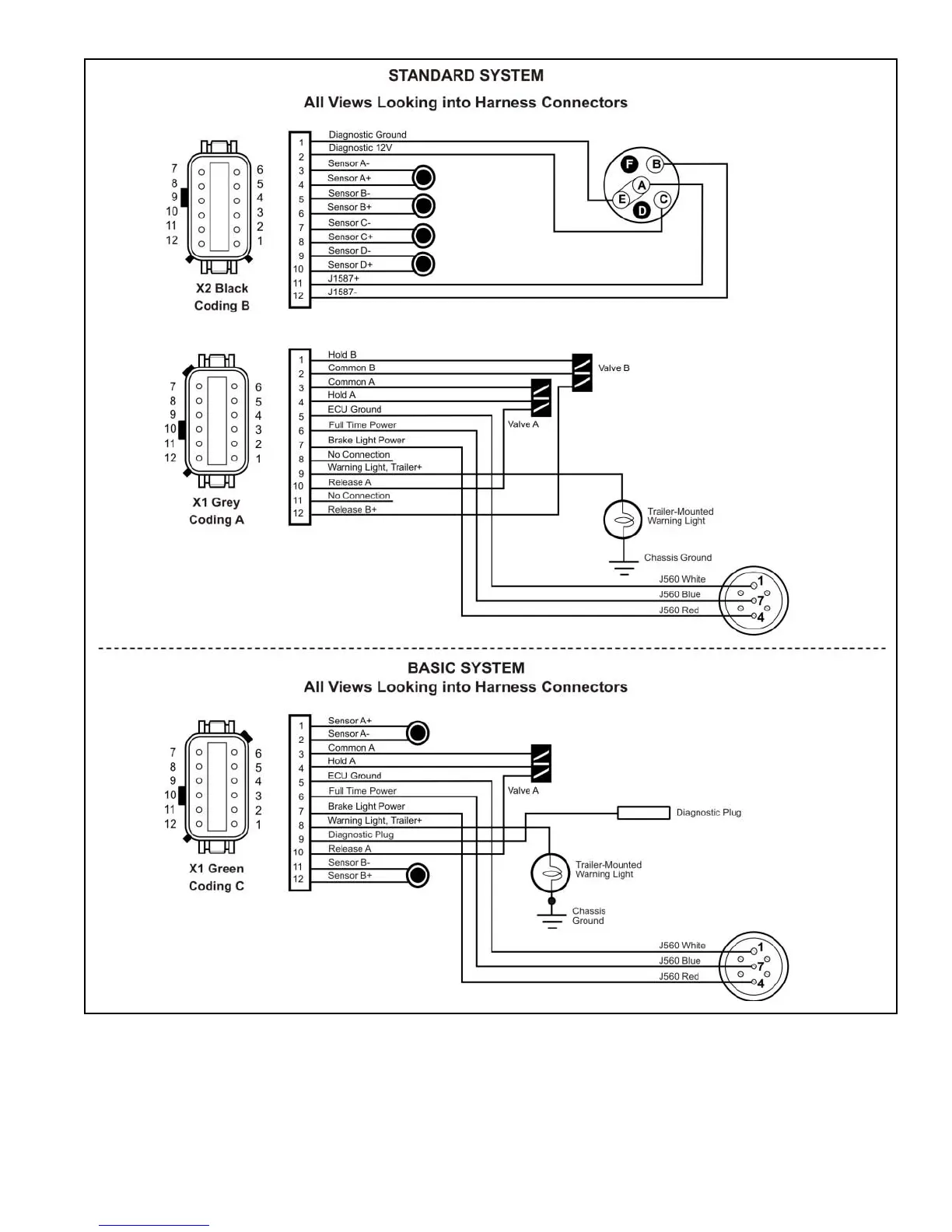
FIGURE 43 - Electrical Schematic

Related product manuals