EasyManua.ls Logo

BendPak SP-7XE - Page 63

Default Icon
80 pages
Print Icon
To Next Page IconTo Next Page
To Next Page IconTo Next Page
To Previous Page IconTo Previous Page
To Previous Page IconTo Previous Page
Loading...
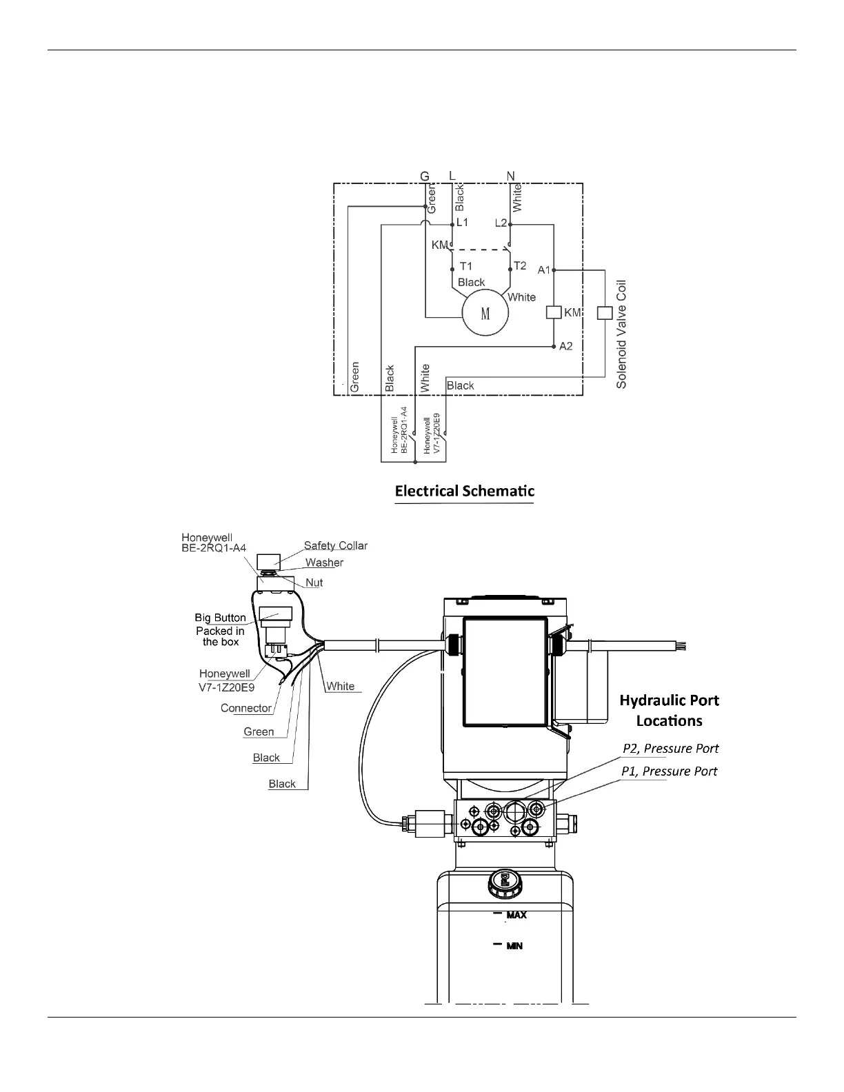
SP-7XE/F Full-Rise Scissor Lift 63 P/N 5900010Rev. B3 — September 2023
WARNING All electrical work must be performed by a licensed Electrician in accordance with
all applicable local and national electrical codes. Damage caused by improper
electrical installation may void your warranty.
5585022
208-240VAC
1 Ph., 50/60Hz. 3HP

Related product manuals