EasyManua.ls Logo

BenQ MK2432 - System Block Diagram

BenQ MK2432
62 pages
Print Icon
To Next Page IconTo Next Page
To Next Page IconTo Next Page
To Previous Page IconTo Previous Page
To Previous Page IconTo Previous Page
Loading...
57
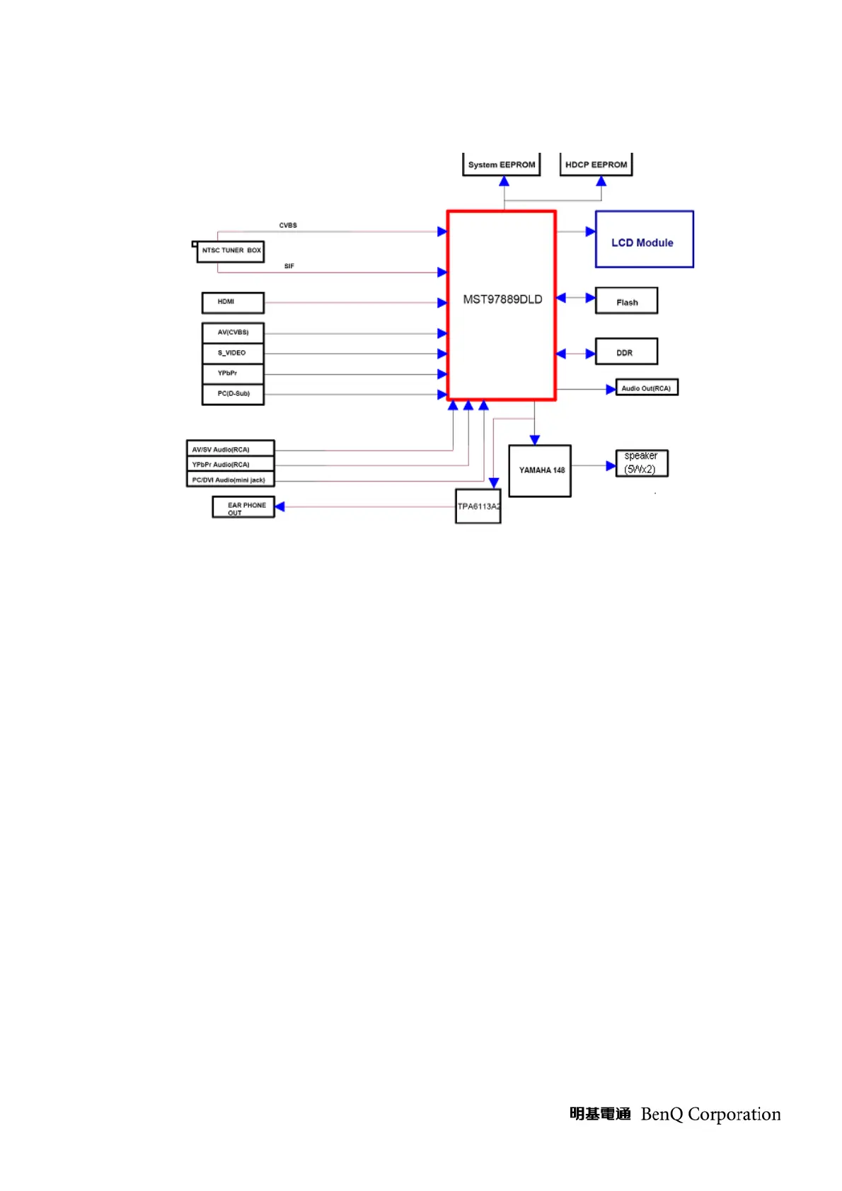
System Block Diagram
The LCD TV uses 1920x1080 LCD Panel to display image.
This LCD TV can accept the following input sources:
(1) HDMI connector
(2) D-SUB connector
(3) PC audio
(4) Component
(5) S-Video
(6) Composite
(7) Audio In*2 (L/R)
(8) Audio Out (L/R)
(9) Earphone
(10) TV Tuner
(11) DTV-NA
As shown in the system block diagram, there are 5 boards in the system. They are:
(1) Main Board
(2) Keypad Board
(3) Power board
(4) IR board
(5) Tuner connect board
In the main board circuits, it contains Scalar (MST97889DLD) & Audio Amp(YDA148).

Related product manuals