EasyManua.ls Logo

BENSON 120 - Page 30

Default Icon
60 pages
Print Icon
To Next Page IconTo Next Page
To Next Page IconTo Next Page
To Previous Page IconTo Previous Page
To Previous Page IconTo Previous Page
Loading...
Doc No. 20-45-159 Page 30 of 60
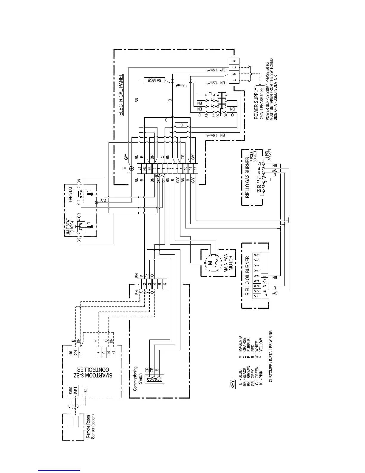
Wiring Diagram 20-45-618
120 - 135 ON/OFF Riello Burner Remote SC³-SZ 230/50/1ph

Related product manuals