EasyManua.ls Logo

BENSON 135 - Page 27

Default Icon
60 pages
Print Icon
To Next Page IconTo Next Page
To Next Page IconTo Next Page
To Previous Page IconTo Previous Page
To Previous Page IconTo Previous Page
Loading...
Doc No. 20-45-159 Page 27 of 60
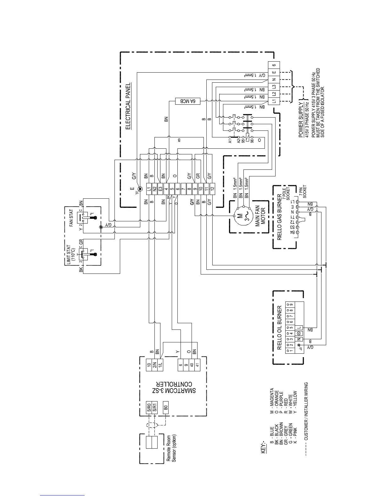
Wiring Diagram 20-45-603
60 - 300 ON/OFF Riello Burner Integral SC³-SZ 415/50/3ph

Related product manuals