EasyManua.ls Logo

BENSON 135 - Page 31

Default Icon
60 pages
Print Icon
To Next Page IconTo Next Page
To Next Page IconTo Next Page
To Previous Page IconTo Previous Page
To Previous Page IconTo Previous Page
Loading...
Doc No. 20-45-159 Page 31 of 60
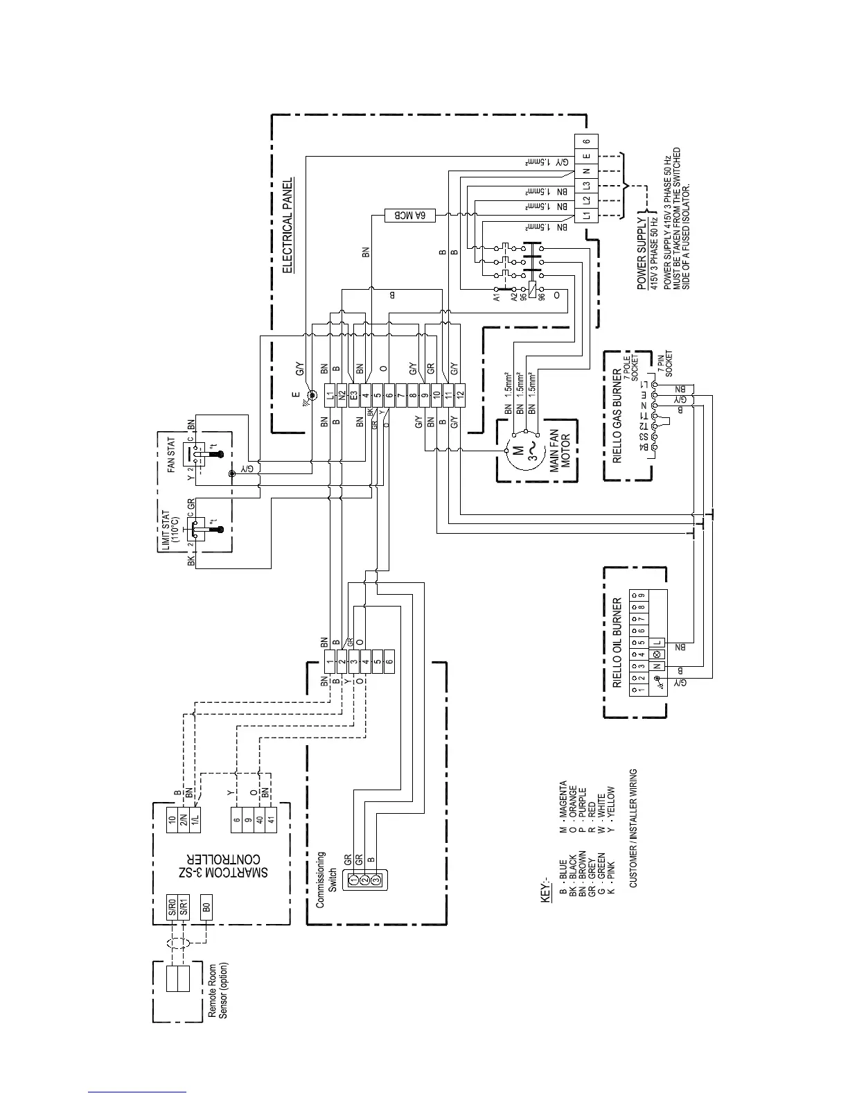
Wiring Diagram 20-45-619
60 - 300 ON/OFF Riello Burner Remote SC³-SZ 415/50/3ph

Related product manuals