EasyManua.ls Logo

BENSON 180 - Page 25

Default Icon
60 pages
Print Icon
To Next Page IconTo Next Page
To Next Page IconTo Next Page
To Previous Page IconTo Previous Page
To Previous Page IconTo Previous Page
Loading...
Doc No. 20-45-159 Page 25 of 60
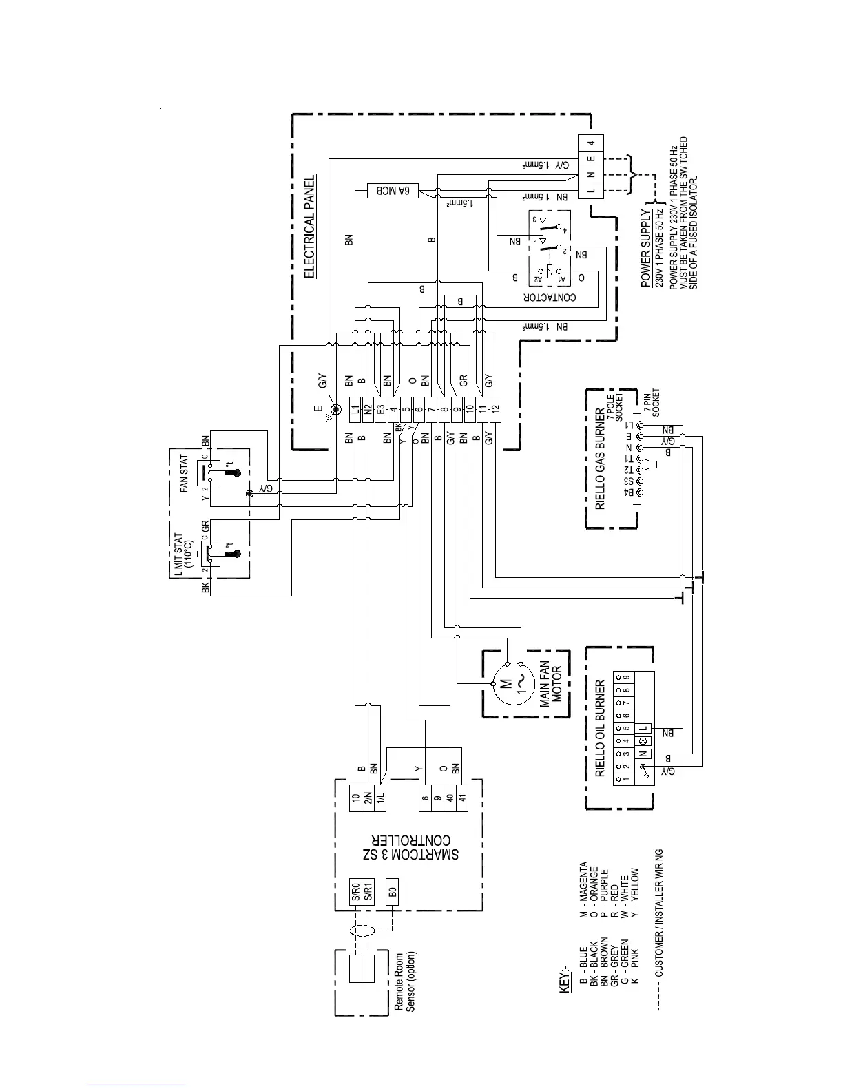
Wiring Diagram 20-45-601
60 - 85 ON/OFF Riello Burner Integral SC³-SZ 230/50/1ph

Related product manuals