EasyManua.ls Logo

BENSON 180 - Page 44

Default Icon
60 pages
Print Icon
To Next Page IconTo Next Page
To Next Page IconTo Next Page
To Previous Page IconTo Previous Page
To Previous Page IconTo Previous Page
Loading...
Doc No. 20-45-159 Page 44 of 60
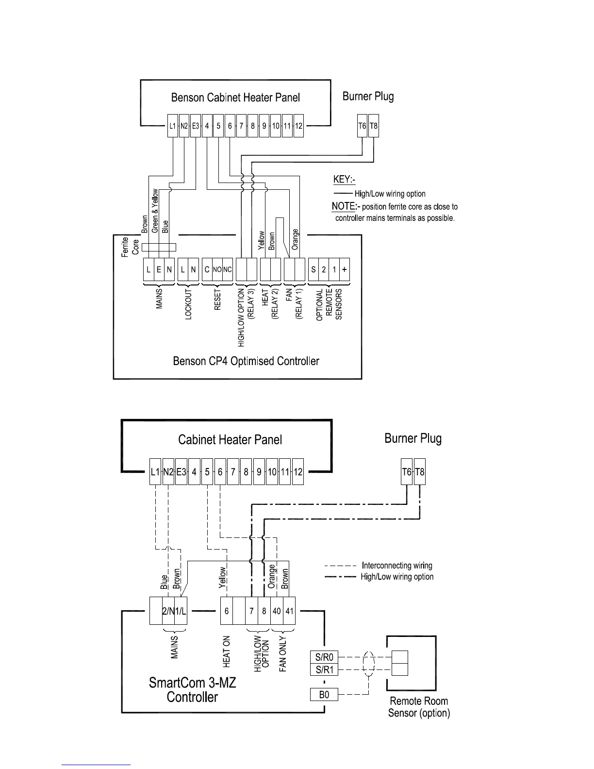
Wiring Diagram 20-45-292
HI/LOW option Riello Burner CP4 Control
Wiring Diagram 20-45-425
HI/LOW option Riello Burner SC3-MZ

Related product manuals