EasyManua.ls Logo

BENSON 205 - Page 26

Default Icon
60 pages
Print Icon
To Next Page IconTo Next Page
To Next Page IconTo Next Page
To Previous Page IconTo Previous Page
To Previous Page IconTo Previous Page
Loading...
Doc No. 20-45-159 Page 26 of 60
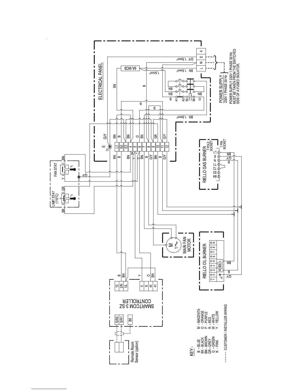
Wiring Diagram 20-45-602
120 - 135 ON/OFF Riello Burner Integral SC³-SZ 230/50/1ph

Related product manuals