EasyManua.ls Logo

BENSON 205 - Page 40

Default Icon
60 pages
Print Icon
To Next Page IconTo Next Page
To Next Page IconTo Next Page
To Previous Page IconTo Previous Page
To Previous Page IconTo Previous Page
Loading...
Doc No. 20-45-159 Page 40 of 60
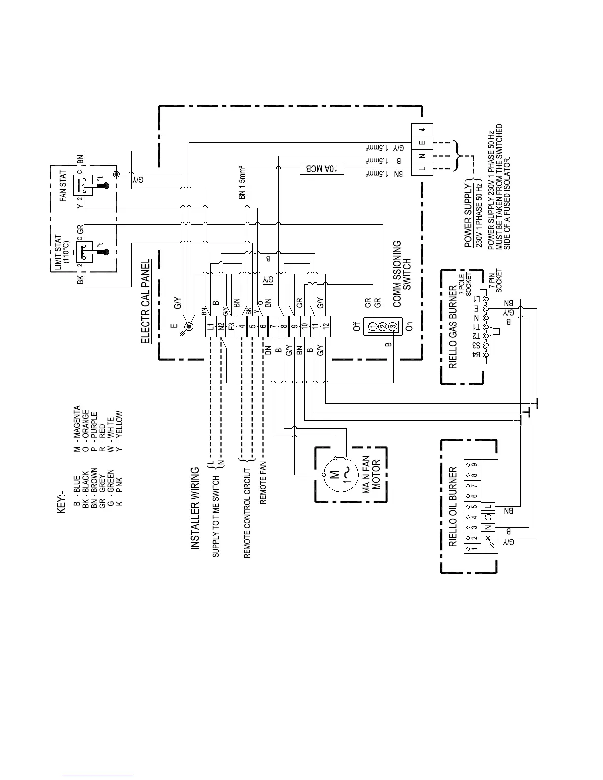
Wiring Diagram 20-45-612
30 - 40 ON/OFF Riello Burner No Controls 230/50/1ph

Related product manuals