EasyManua.ls Logo

BENSON 300 - Page 39

Default Icon
60 pages
Print Icon
To Next Page IconTo Next Page
To Next Page IconTo Next Page
To Previous Page IconTo Previous Page
To Previous Page IconTo Previous Page
Loading...
Doc No. 20-45-159 Page 39 of 60
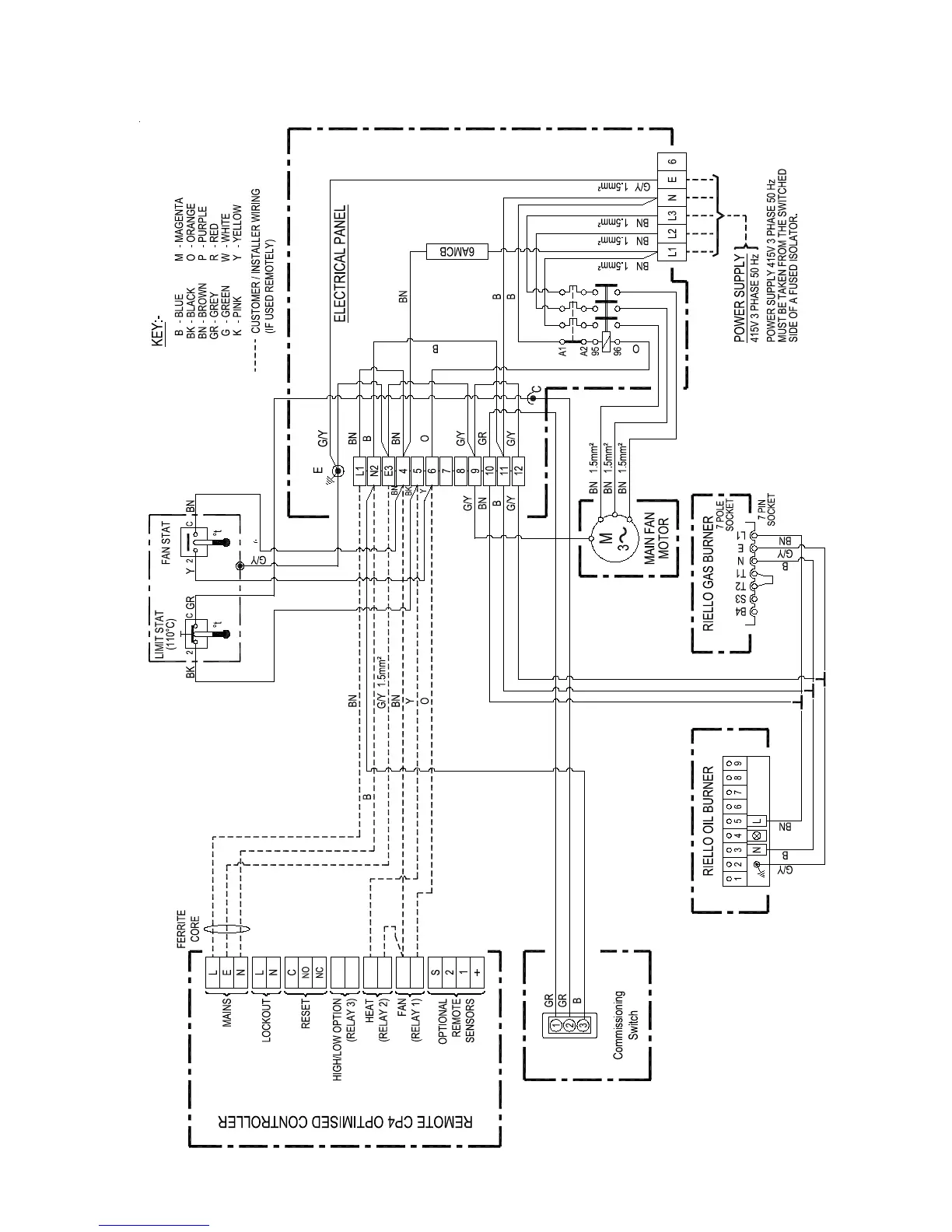
Wiring Diagram 20-45-623
60 - 300 ON/OFF Riello Burner Remote CP4 415/50/3ph

Related product manuals