EasyManua.ls Logo

Bergen B35:40 - Page 56

Default Icon
74 pages
Print Icon
To Next Page IconTo Next Page
To Next Page IconTo Next Page
To Previous Page IconTo Previous Page
To Previous Page IconTo Previous Page
Loading...
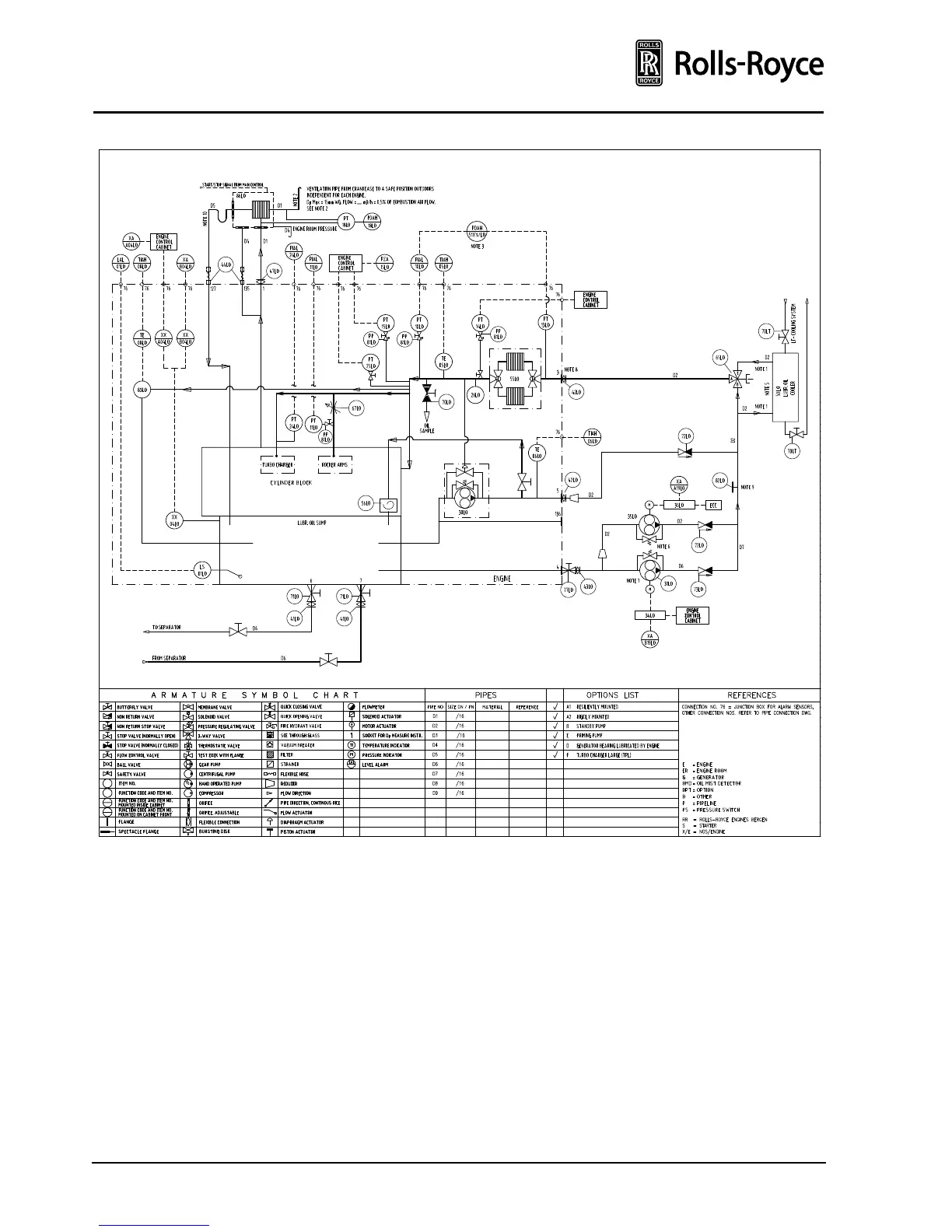
Lubricating oil system
Page 4 : 9
2.08
, Gas
0915 BC

Table of Contents