EasyManua.ls Logo

Berkel 827 - Page 7

Berkel 827
24 pages
Print Icon
To Next Page IconTo Next Page
To Next Page IconTo Next Page
To Previous Page IconTo Previous Page
To Previous Page IconTo Previous Page
Loading...
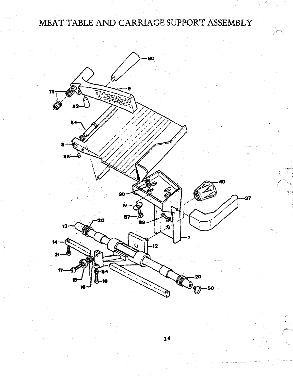
MEAT TABLE
AND
CARRIAGE SUPPORT
ASSEMBLY
80
640
37
//
.,..-
14
\
-~
'
/""'-
r l
..•
,,
..
,=.--..
I

Related product manuals