EasyManua.ls Logo

BERTHOLD TECHNOLOGIES LB4710-050 - Page 130

BERTHOLD TECHNOLOGIES LB4710-050
227 pages
Print Icon
To Next Page IconTo Next Page
To Next Page IconTo Next Page
To Previous Page IconTo Previous Page
To Previous Page IconTo Previous Page
Loading...
Chapter 15 Technical Drawings
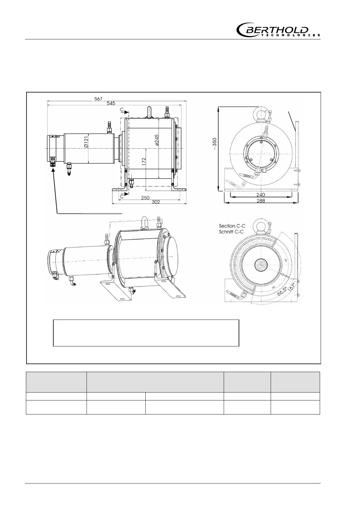
Mini-Switch LB 471
130
Super Sens with lateral irradiation 66° with water cooling
Type
ATEX
Irradiation
Weight
in kg approx.
LB 4431-14-0r-Gd-E
Gas Ex
II 2 G EEx de IIC T6
66°
74
LB 4431-14-0r-Gi-E
Gas Ex
intrinsically safe
II 2 G EEx ib d IIC T6
66°
74
Thermal shield
Connection seal for water cooling: Ø 10mm (R1/4“)
Specifications in mm
M16 for cable 5 … 10 mm
M16 for cable 510 mm

Table of Contents

Related product manuals