EasyManua.ls Logo

Beta EVO 80 - Electrical Diagram

Beta EVO 80
128 pages
Print Icon
To Next Page IconTo Next Page
To Next Page IconTo Next Page
To Previous Page IconTo Previous Page
To Previous Page IconTo Previous Page
Loading...
15
1
GENERAL INFORMATION
CONOSCENZA DEL VEICOLO
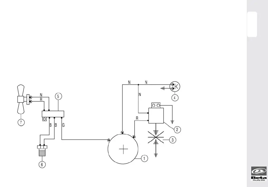
SCHEMA ELETTRICO
Legenda
1 Generatore
2 Bobina A.T.
3 Candela
4 Pulsante arresto motore
5 Regolatore
6 Termostato
7 Elettroventola
ELECTRICAL DIAGRAM
Legend
1 Generator
2 High Voltage coil
3 Spark plug
4 Engine stop push button
5 Regulator
6 Thermostat
7 Electric fan
Ma ................... Marrone/Brown
N .............................. Nero/Black
R ................................ Rosso/Red
G .......................... Giallo/Yellow
B .................................... Blu/Blue

Other manuals for Beta EVO 80

Related product manuals