EasyManua.ls Logo

Beta EVO 80 - Page 74

Beta EVO 80
128 pages
Print Icon
To Next Page IconTo Next Page
To Next Page IconTo Next Page
To Previous Page IconTo Previous Page
To Previous Page IconTo Previous Page
Loading...
73
1
CONNAITRE SON VEHICULE
CONOCIMIENTO DEL VEHICULO
FAHRZEUGKENNTNIS
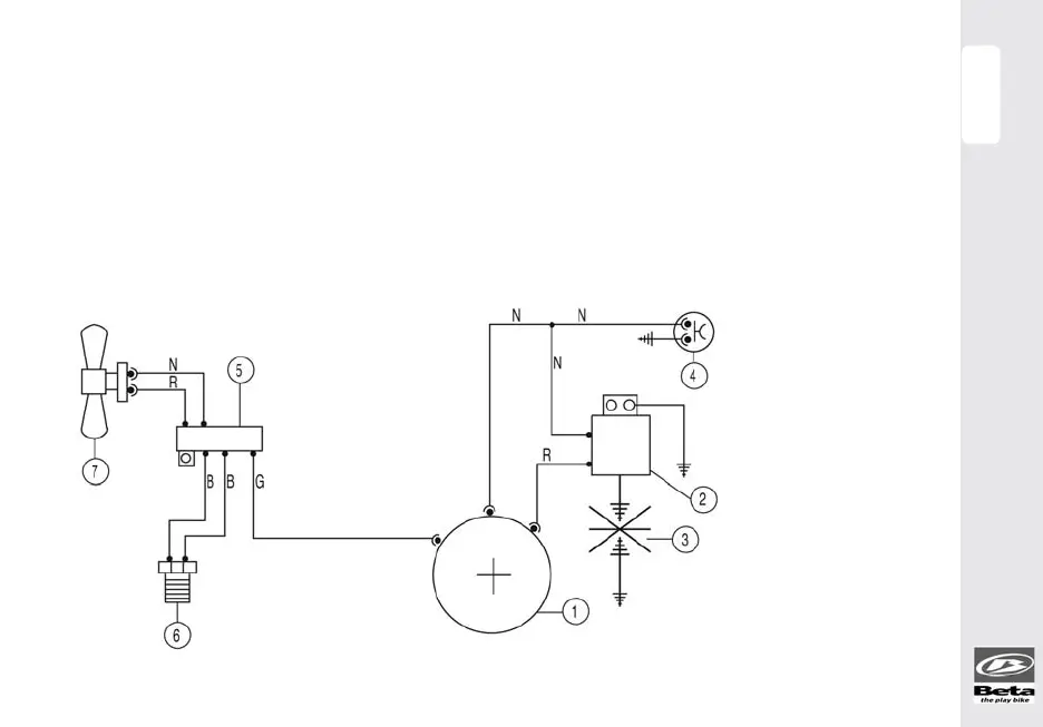
SCHEMA ELECTRIQUE
Légende
1 Générateur
2 Bobine H.T.
3 Bougie
4 Bouton arret du moteur
5 Régulateur
6 Termostato
7 Ventilateur électrique
ESQUEMA ELÉCTRICO
Leyenda
1 Generador
2 Bobina A.T.
3 Bujia
4 Pulsador parada motor
5 Regulator
6 Termostato
7 Electroventilador
ELEKTROSCHEMA
Zeichenerklärung
1
Lichtmaschine
2
Zundspule
3
Zundkerze
4
Schalter zum Abstellen des
Motors
5 Regulator
6 Thermostat
7 Elektroluterrad
Ma ...... Marron/
Marrón
/Braun
N ............ Noir/
Negro
/Schwarz
R ...................... Rouge/Rojo/Rot
G ............ Jaune/Amarillo/Gleb
B ......................... Bleu/Azul/Blau

Other manuals for Beta EVO 80

Related product manuals