EasyManua.ls Logo

BFT Botticelli VENERE D - Page 36

BFT Botticelli VENERE D
Print Icon
To Next Page IconTo Next Page
To Next Page IconTo Next Page
To Previous Page IconTo Previous Page
To Previous Page IconTo Previous Page
Loading...
Fig. B
QNP?AFC
'2
$0
"#3
#,%
CQN
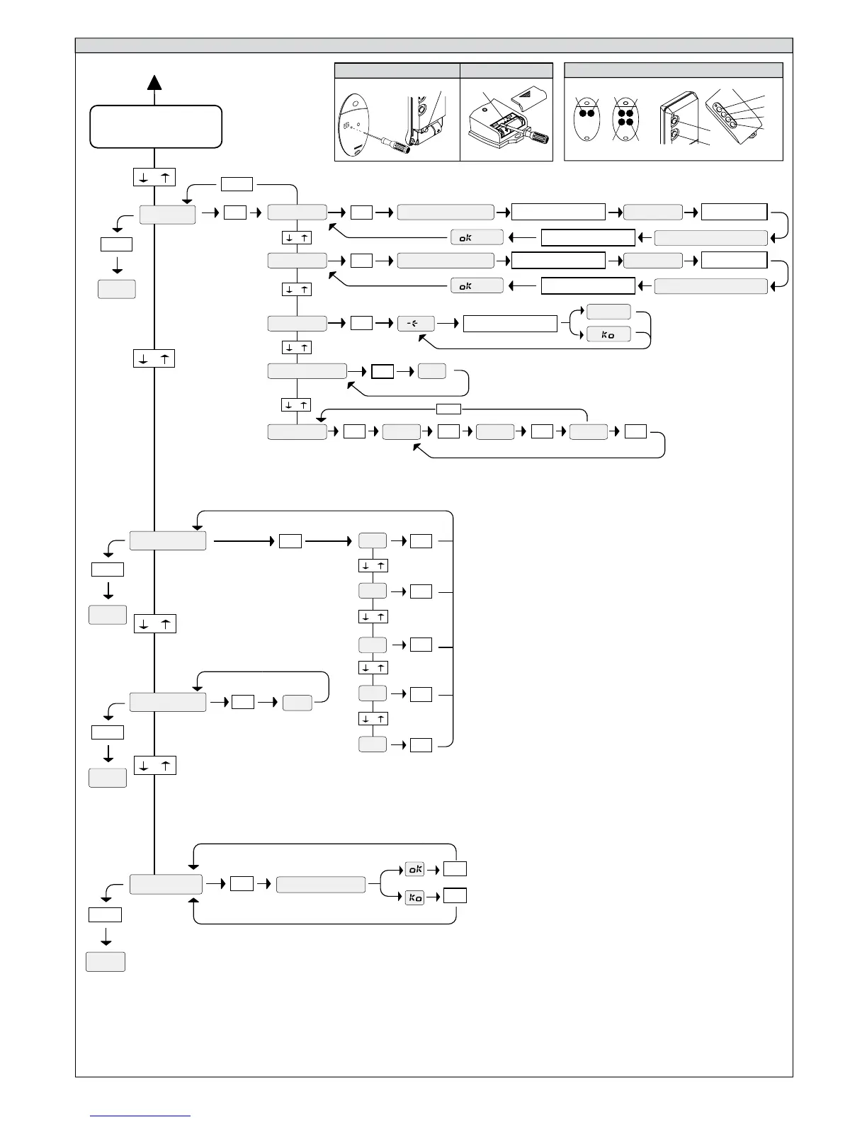
VORANGEHENDE
MENÜS FIG. A
OK OK
OK
OK
OK
OK
OK
.0%
-
+
-
+
+-
+-
@CRPCG@QB?RCL
-
+
-
+
-
+
-
+
T1
T2
T1
T2
T3
T4
1 2
3
T1 T2 T1 T2
T3
T4
P1P1
P1
$3,!
-
+
-
+
+-
#,"
#,"
#,"
OK
+-
Auf Fernsteuerung P1
drücken.
Gewünschtes T auf Fernsteuerung
drücken, siehe Abb.B3
Gewünschtes T auf Fernsteuerung
drücken, siehe Abb.B3
P1 auf Fersteuerung
loslassen
XSDSCE
QR?PR
TCPQRR?QRC
JMQJ?QQCL

.0%
JCQCL
!-"06
OK
!
OK
$"
OK
OK
-
+
+-
OK
OK
OK
*MCQAFCL
-
+
-
+
R
ECT3C212#
Auf Fernsteuerung P1
drücken.
Gewünschtes T auf Fernsteuerung
drücken, siehe Abb.B3
P1 auf Fersteuerung
loslassen
XSDSCE
AF
TCPQRR?QRC
JMQJ?QQCL

OK
-
+
ECT3C212#

OK
32-QCR
+-
#,"
OK
OK
36 - BOTTICELLI VENERE D
D811493_01

Related product manuals